Качественные детали и логистика
Оригинальные и аналоговые запчасти с доставкой по России, Казахстану и Беларуси
©2022 PartSell ООО "Система" ИНН 2463123282 ОГРН 1212400004838
Центральный офис: г. Красноярск, Академика Киренского, д.87, пом.4
Телефон: 8 (800) 777-65-74 Email: zakaz@partsell.ru
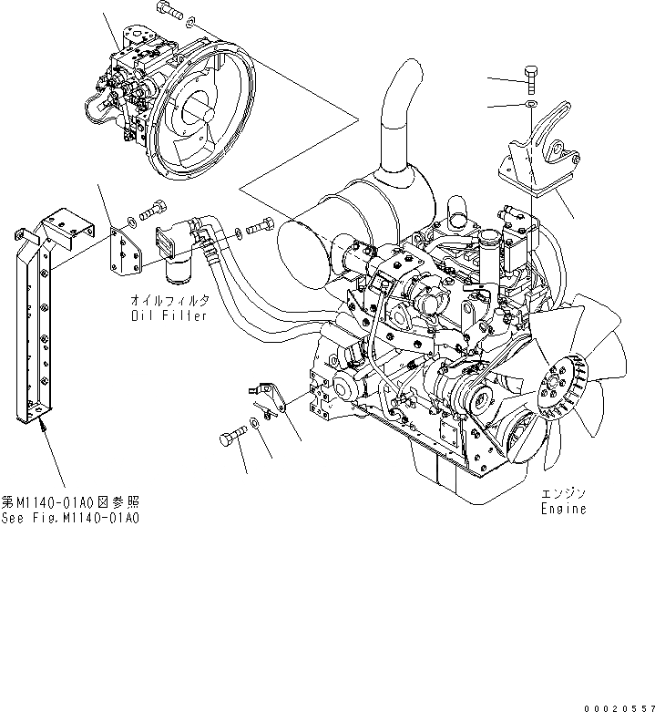
ДВИГАТЕЛЬ КОРПУС И ОСНОВН. НАСОС
№
Артикул
Название
Примечание
Количество
1
203-01-71290
BRACKET
2
203-06-71251
3
01010-81225
BOLT
4
01643-31232
WASHER
5
203-979-7111
6
01010-81035
7
01643-31032
8
708-1L-00650
PUMP ASS'Y
Выбрано товаров: 0