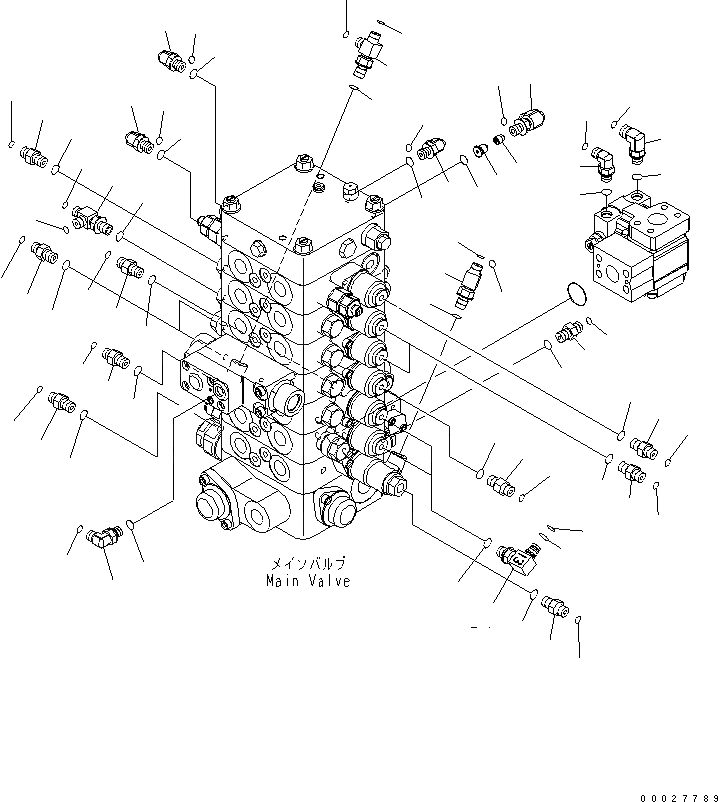
Запчасти Komatsu PC130-7 ОСНОВН. КЛАПАН (СОЕДИНИТЕЛЬН. ЧАСТИ) (/) ( АКТУАТОР) (С ПРЕДОТВРАЩЕНИЕМ СМЕЩЕНИЯ)(№7-) ГИДРАВЛИКА

Схема запчастей Komatsu PC130-7 - ОСНОВН. КЛАПАН (СОЕДИНИТЕЛЬН. ЧАСТИ) (/) ( АКТУАТОР) (С ПРЕДОТВРАЩЕНИЕМ СМЕЩЕНИЯ)(№7-) ГИДРАВЛИКА
1
2
3
4
5
6
7
8
9
10
11
12
12
12
12
13
13
13
13
14
14
14
14
15
15
15
16
16
16
16
16
16
17
17
17
18
18
19
19
20
20
21
22
23
24
25
26
27
28
29
30
31
32
33
34
35
36
37
38
39
40
41
42
43
44
45
46
47
48
FIT
1:1
100%

Артикул

Название

Примечание

Количество

|$2

21K-60-71230

VALVE ASS'Y

1

ELBOW

2

21W-973-3420

POPPET

3

21Y-62-11591

PLUG

4

07002-11423

O-RING

5

02896-11009

O-RING

6

02782-10210

ELBOW

7

07002-11423

O-RING

8

02896-11008

O-RING

9

20Y-62-45610

NIPPLE

10

02896-11008

O-RING

11

07002-11423

O-RING

12

02781-0021D

UNION

13

02896-11008

O-RING

14

07002-11423

O-RING

15

11Y-62-12330

ELBOW

16

02896-11008

O-RING

17

07002-11423

O-RING

18

203-62-71130

NIPPLE

19

02896-11008

O-RING

20

07002-11423

O-RING

21

22U-62-22480

ELBOW

22

201-60-11390

O-RING

23

20Y-62-19560

O-RING

24

07002-11423

O-RING

25

02782-10210

ELBOW

26

07002-11423

O-RING

27

02896-11008

O-RING

28

02781-0021D

UNION

29

07002-11423

O-RING

30

02896-11008

O-RING

31

02782-10311

ELBOW

32

07002-11423

O-RING

33

02896-11009

O-RING

34

02782-10210

ELBOW

35

02896-11008

O-RING

36

07002-11423

O-RING

37

02781-0021D

UNION

38

02896-11008

O-RING

39

07002-11423

O-RING

40

02781-0021D

UNION

41

02896-11008

O-RING

42

07002-11423

O-RING

43

02782-10210

ELBOW

44

02896-11008

O-RING

45

07002-11423

O-RING

46

02782-10311

ELBOW

47

02896-11009

O-RING

48

07002-11423

O-RING

Выбрано товаров: 49