Запчасти Komatsu PC130-7 СОЛЕНОИДНЫЙ КЛАПАН (ШЛАНГИ) ГИДРАВЛИКА

Схема запчастей Komatsu PC130-7 - СОЛЕНОИДНЫЙ КЛАПАН (ШЛАНГИ) ГИДРАВЛИКА
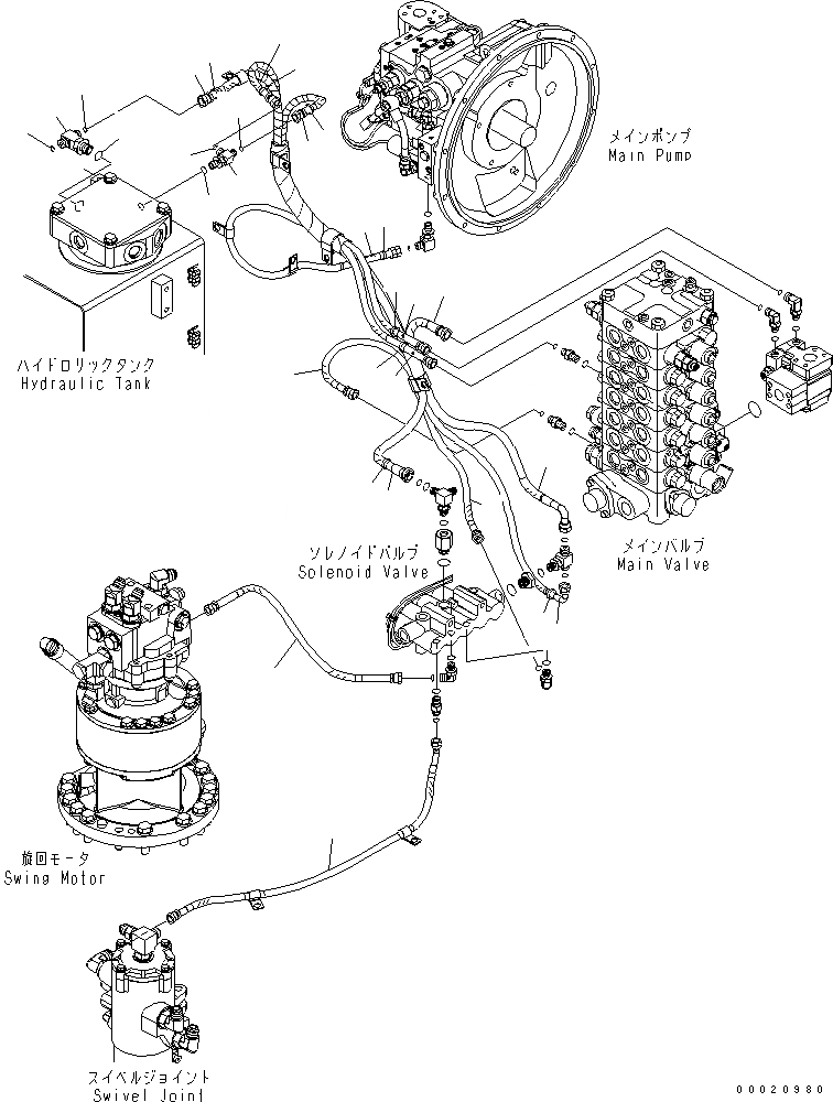
1
1
2
2
3
3
4
4
5
5
6
6
7
7
8
8
9
9
10
10
11
12
13
14
14
15
16
17
17
18
FIT
1:1
100%

Артикул

Название

Примечание

Количество

1

02760-00210

HOSE, 1000MM

2

02760-00211

HOSE

3

02761-00214

HOSE

4

203-62-71280

HOSE, 1300MM

5

20Y-62-22790

BAND, RED

6

20Y-62-22820

BAND, BLUE

7

20Y-62-22840

BAND, BLACK

8

20Y-62-22850

BAND, GREEN

9

02760-002A6

HOSE

10

02761-003A4

HOSE

11

02760-00205

HOSE

11

02760-002A4

HOSE

12

02764-00208

HOSE

13

209-64-16721

TEE

14

02896-11009

O-RING

15

07002-12034

O-RING

16

11Y-62-12330

ELBOW

17

02896-11008

O-RING

18

07002-11423

O-RING

Выбрано товаров: 19