Качественные детали и логистика
Оригинальные и аналоговые запчасти с доставкой по России, Казахстану и Беларуси
©2022 PartSell ООО "Система" ИНН 2463123282 ОГРН 1212400004838
Центральный офис: г. Красноярск, Академика Киренского, д.87, пом.4
Телефон: 8 (800) 777-65-74 Email: zakaz@partsell.ru
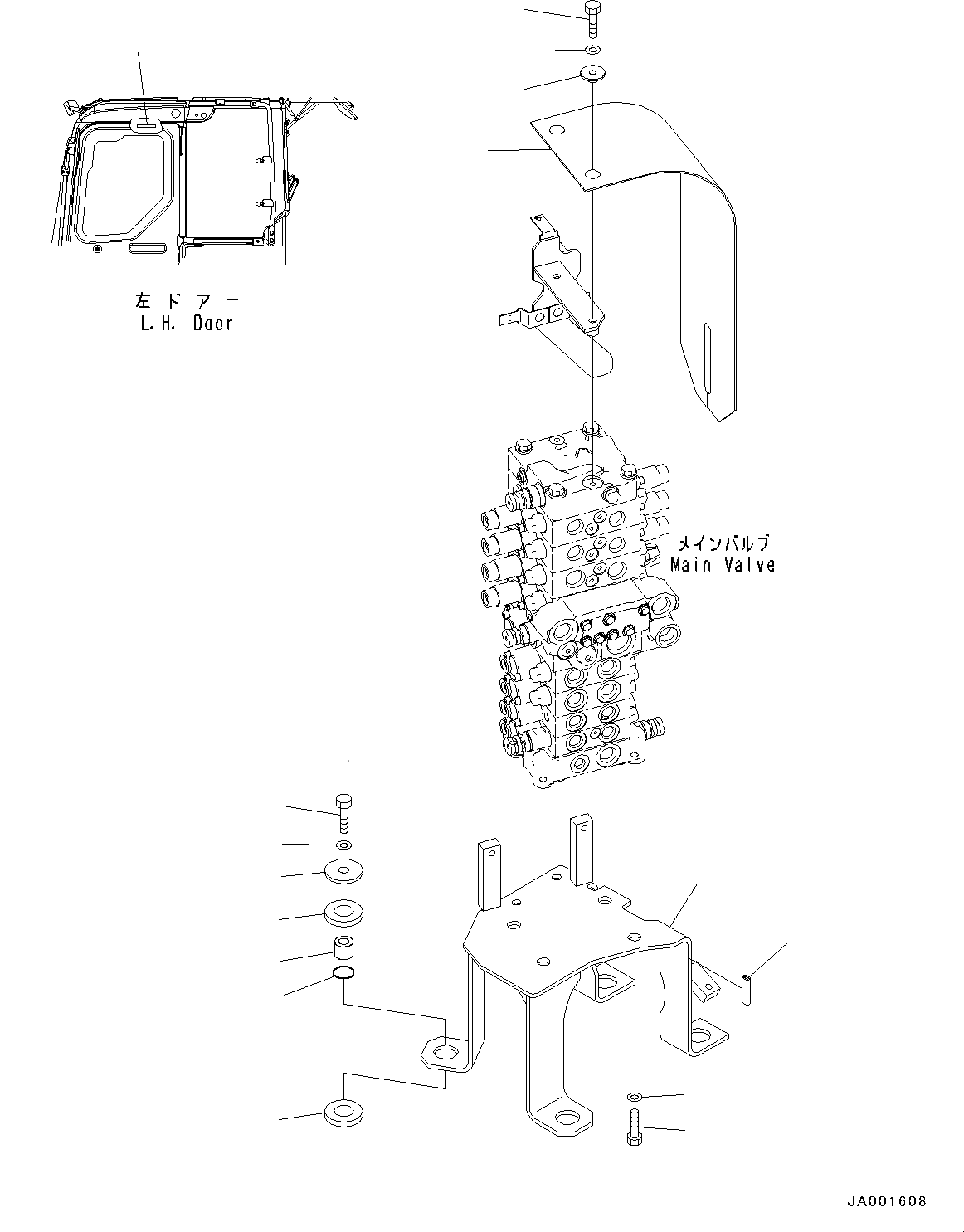
УПРАВЛЯЮЩ. КЛАПАН, КРЕПЛЕНИЕ (№-)
№
Артикул
Название
Примечание
Количество
1
21W-62-53411
Bracket
2
21W-62-11620
Spacer
3
07000-13025
O-ring
4
203-62-42770
Cushion
5
566-35-42430
Plate
6
01010-81245
Bolt
7
01643-31232
Washer
8
01010-81430
9
01643-31445
Washer, Flat
10
21W-62-51741
Seal
11
21W-62-51580
12
01010-80845
13
01643-30823
14
21W-62-52390
Sheet
15
201-54-35890
Collar
16
201-00-61320
Plate, Caution, Operating Pattern For Blade
Выбрано товаров: 0