Качественные детали и логистика
Оригинальные и аналоговые запчасти с доставкой по России, Казахстану и Беларуси
©2022 PartSell ООО "Система" ИНН 2463123282 ОГРН 1212400004838
Центральный офис: г. Красноярск, Академика Киренского, д.87, пом.4
Телефон: 8 (800) 777-65-74 Email: zakaz@partsell.ru
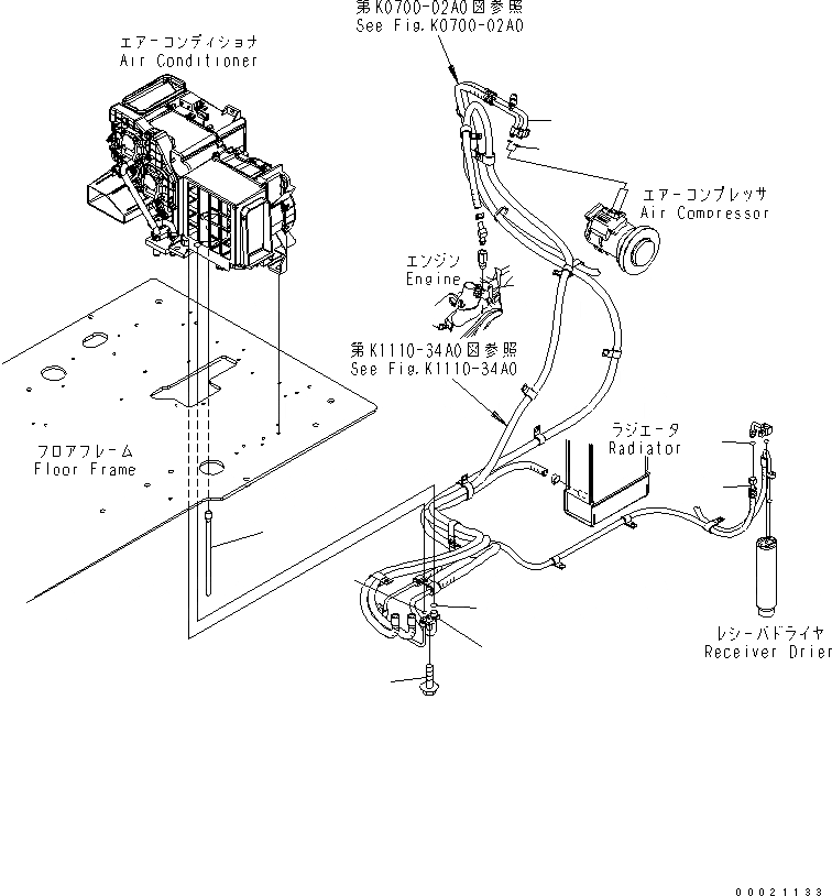
ОСНОВН. КОНСТРУКЦИЯ (КАБИНА) (ПАТРУБКИ КОНДИЦИОНЕРА)
№
Артикул
Название
Примечание
Количество
1
208-979-7640
HOSE
2
203-979-7241
3
20Y-979-3130
O-RING
4
203-979-7231
5
20Y-979-3150
6
208-979-7650
CONNECTOR
7
01435-40620
BOLT
Выбрано товаров: 0