Качественные детали и логистика
Оригинальные и аналоговые запчасти с доставкой по России, Казахстану и Беларуси
©2022 PartSell ООО "Система" ИНН 2463123282 ОГРН 1212400004838
Центральный офис: г. Красноярск, Академика Киренского, д.87, пом.4
Телефон: 8 (800) 777-65-74 Email: zakaz@partsell.ru
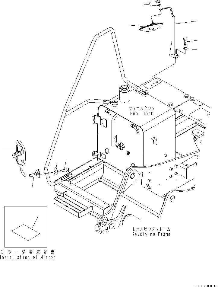
ЗАДН. VIEW MIRROR¤ ПРАВ.
№
Артикул
Название
Примечание
Количество
1
20Y-54-74270
SUPPORT
|1
20Y-54-61621
2
20Y-54-61630
CLAMP
3
01252-71030
BOLT
4
20Y-54-74280
MIRROR
|4
20Y-54-28911
5
203-98-71120
PLATE
6
20Y-54-74240
7
01010-81235
8
01643-81232
WASHER
9
20Y-54-74290
Выбрано товаров: 0