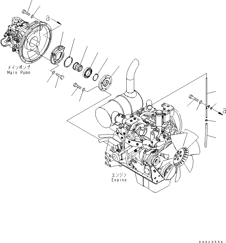
Запчасти Komatsu PC130-7K ОСНОВН. НАСОС КРЕПЛЕНИЕ КОМПОНЕНТЫ ДВИГАТЕЛЯ

Схема запчастей Komatsu PC130-7K - ОСНОВН. НАСОС КРЕПЛЕНИЕ КОМПОНЕНТЫ ДВИГАТЕЛЯ
1
2
3
4
5
6
7
8
9
10
11
12
13
14
15
16
17
18
FIT
1:1
100%

Артикул

Название

Примечание

Количество

1

6205-11-5460

TUBE

2

07260-20928

HOSE

3

07285-00150

CLIP

4

203-01-61170

CAGE

5

203-01-61190

SHAFT

6

06045-06014

BEARING

7

04065-01104

RING

8

04064-07025

RING

9

01010-81235

BOLT

10

01643-31232

WASHER

11

01010-81040

BOLT

12

01643-31032

WASHER

13

01010-81050

BOLT

14

01643-31032

WASHER

15

205-917-1610

COLLAR

16

203-01-61181

COUPLING

17

01010-81240

BOLT

18

01643-31232

WASHER

Выбрано товаров: 18