Запчасти Komatsu PC130-7K ЦИЛИНДР РУКОЯТИ(С КЛАПАН ПЕРЕГРУЗКИ) РАБОЧЕЕ ОБОРУДОВАНИЕ

Схема запчастей Komatsu PC130-7K - ЦИЛИНДР РУКОЯТИ(С КЛАПАН ПЕРЕГРУЗКИ) РАБОЧЕЕ ОБОРУДОВАНИЕ
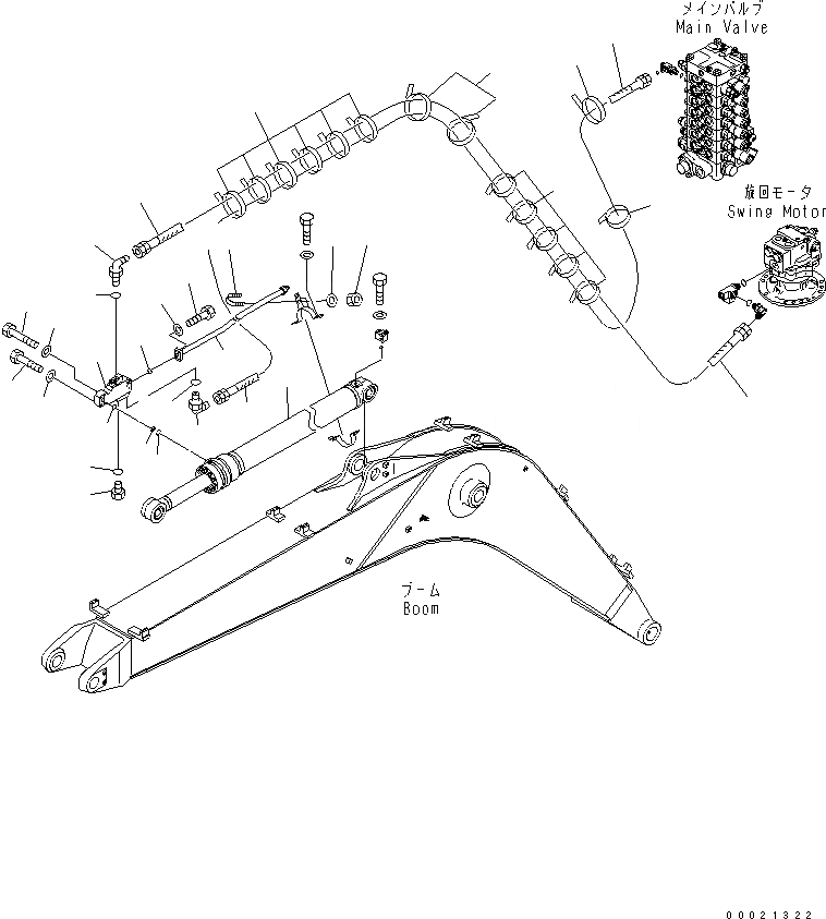
1
2
3
4
5
6
7
8
8
9
10
11
12
13
14
15
16
17
18
19
20
21
22
22
23
23
24
24
24
24
24
FIT
1:1
100%

Артикул

Название

Примечание

Количество

1

707-01-XU530

CYLINDER GROUP,(SEE FIG.Y1620-11A1)

2

702-21-08040

VALVE ASS'Y,(SEE FIG.Y1679-21A0)

3

07000-13025

O-RING

4

07373-30500

SPACER

5

07000-13022

O-RING

6

01010-80855

BOLT

7

01010-80865

BOLT

8

01643-50823

WASHER

9

02782-10210

ELBOW

10

07002-11423

O-RING

11

07235-10422

ELBOW

12

07002-12034

O-RING

13

07040-11409

PLUG

14

07002-11423

O-RING

15

203-62-72720

TUBE

16

07000-13025

O-RING

17

01010-80830

BOLT

18

01643-50823

WASHER

19

07283-32236

CLIP

20

01597-01009

NUT

21

01643-31032

WASHER

22

02760-00254

HOSE

23

07102-20450

HOSE

24

08034-20519

BAND

Выбрано товаров: 24