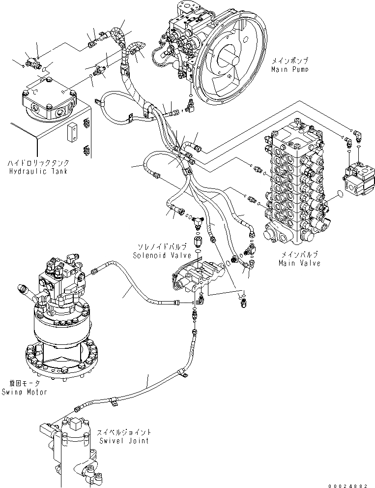
Запчасти Komatsu PC130-7K СОЛЕНОИДНЫЙ КЛАПАН (ШЛАНГИ) (СПЕЦИФ-Я С ОТВАЛОМ) ГИДРАВЛИКА

Схема запчастей Komatsu PC130-7K - СОЛЕНОИДНЫЙ КЛАПАН (ШЛАНГИ) (СПЕЦИФ-Я С ОТВАЛОМ) ГИДРАВЛИКА
1
1
2
2
3
3
4
4
5
5
6
6
7
7
8
8
9
9
10
10
11
12
13
14
14
15
16
17
17
18
FIT
1:1
100%

Артикул

Название

Примечание

Количество

1

02760-00210

HOSE¤ 1000MM

2

02760-00211

HOSE

3

02761-00214

HOSE

4

203-62-71280

HOSE¤ 1300MM

5

20Y-62-22790

BAND¤ RED

6

20Y-62-22820

BAND¤ BLUE

7

20Y-62-22840

BAND¤ BLACK

8

20Y-62-22850

BAND¤ GREEN

9

02760-002A6

HOSE

10

02761-003A4

HOSE

11

02760-00205

HOSE

12

02764-002A8

HOSE

13

209-64-16721

TEE

14

02896-11009

O-RING

15

07002-12034

O-RING

16

11Y-62-12330

TEE

17

02896-11008

O-RING

18

07002-11423

O-RING

Выбрано товаров: 18