Запчасти Komatsu PC130-8 ВОЗДУХООЧИСТИТЕЛЬ, ВОЗДУХОВОДЫ (№8-) ВОЗДУХООЧИСТИТЕЛЬ

Схема запчастей Komatsu PC130-8 - ВОЗДУХООЧИСТИТЕЛЬ, ВОЗДУХОВОДЫ (№8-) ВОЗДУХООЧИСТИТЕЛЬ
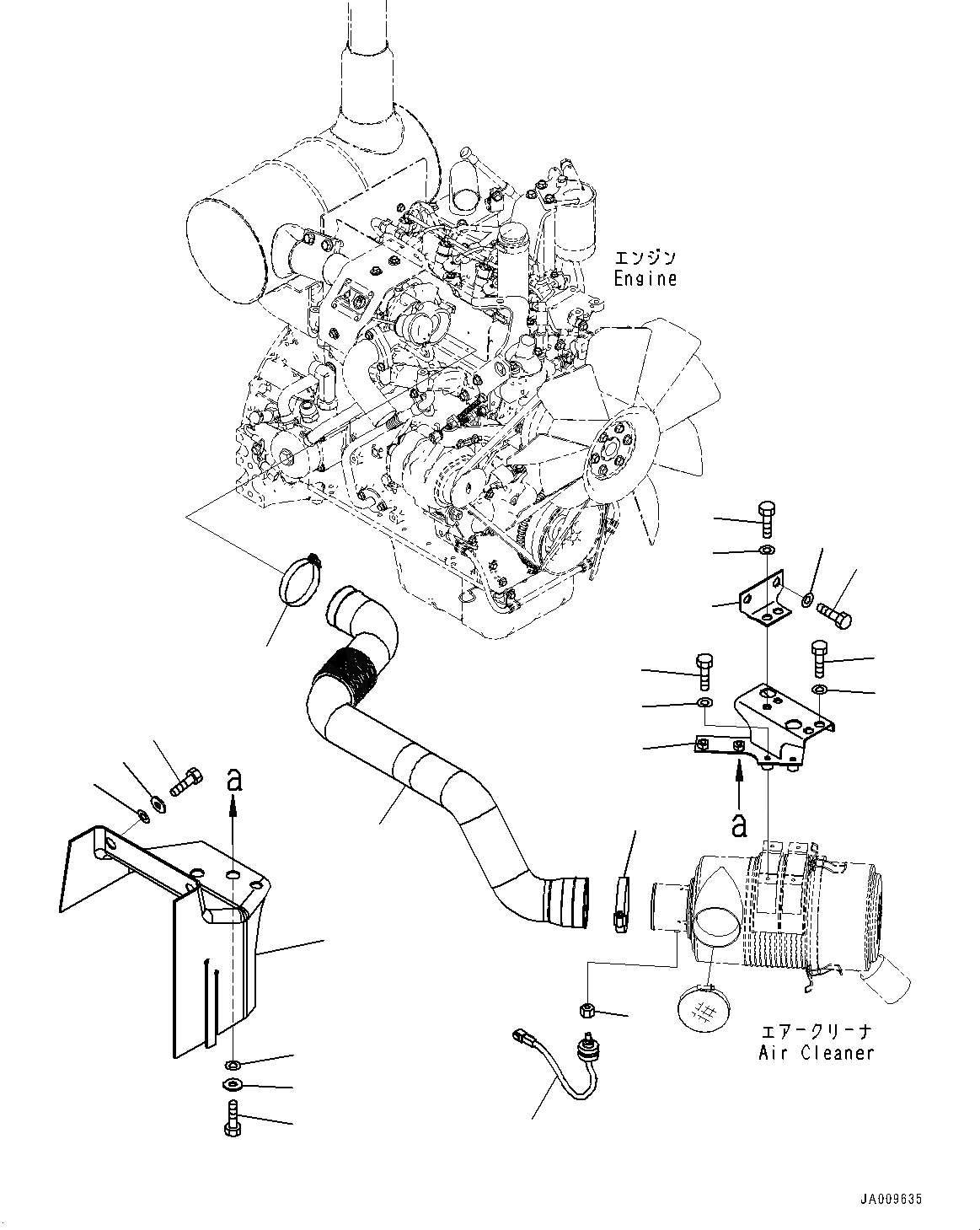
8
12
16
3
9
18
10
2
19
17
1
21
13
11
4
20
22
7
6
5
14
15
FIT
1:1
100%

Артикул

Название

Примечание

Количество

1

203-01-12130

Frame

2

01010-80835

Bolt

3

01643-30823

Washer

4

203-01-71211

Sheet

5

01643-51232

Washer

6

124-54-26540

Washer

7

01010-81230

Bolt

8

203-01-71141

Bracket

9

01010-81230

Bolt

10

01643-31232

Washer

11

203-01-12111

Hose

12

07299-00080

Clamp, Hose

13

07299-00095

Clamp, Hose

14

11Y-01-11920

Joint

15

7861-93-1430

Sensor, Dust Indicator

16

01010-81230

Bolt

17

01643-31232

Washer

18

01010-81230

Bolt

19

01643-31232

Washer

20

01643-51232

Washer

21

124-54-26540

Washer

22

01010-81230

Bolt

Выбрано товаров: 22