Запчасти Komatsu PC130-8 ЭЛЕКТРИЧ. ПРОВОДКА, КРЕПЛЕНИЕ (/) (№8-) ЭЛЕКТРИЧ. ПРОВОДКА, AMP., ДЛЯ СТРАН ЕС БЕЗОПАСН. REGULATION, ДЛЯ ТУРЦИЯ

Схема запчастей Komatsu PC130-8 - ЭЛЕКТРИЧ. ПРОВОДКА, КРЕПЛЕНИЕ (/) (№8-) ЭЛЕКТРИЧ. ПРОВОДКА, AMP., ДЛЯ СТРАН ЕС БЕЗОПАСН. REGULATION, ДЛЯ ТУРЦИЯ
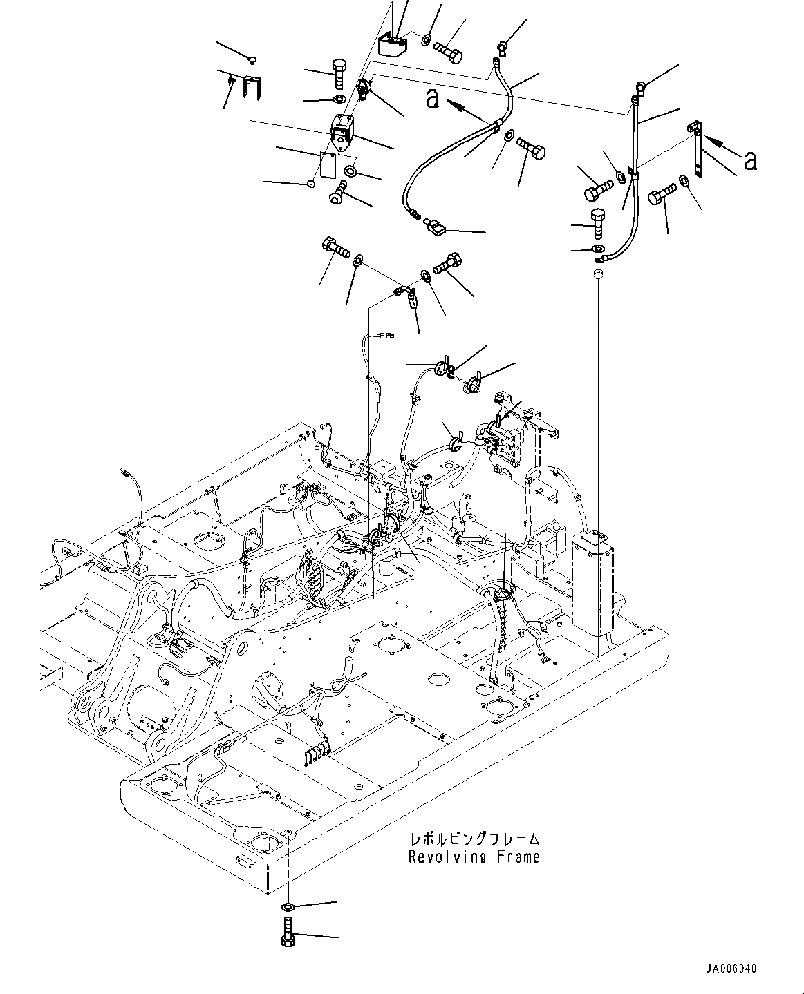
11
11
10
13
12
5
17
1
3
2
18
23
22
14
29
28
7
4
6
8
9
27
25
26
21
20
15
16
19
24
31
32
30
32
31
33
38
33
33
33
37
34
33
36
35
FIT
1:1
100%

Артикул

Название

Примечание

Количество

1

203-06-11570

Bracket

2

01010-81225

Bolt

3

01643-31232

Washer

4

203-06-11580

Bracket

5

08068-00001

Switch, Battery

6

01245-00830

Screw, Hexagon Socket Head

7

01643-70823

Washer

8

203-06-11660

Sheet

9

20T-54-74510

Cap

10

203-06-11670

Sheet

11

20T-54-74510

Cap

12

01010-81230

Bolt

13

01643-31232

Washer

14

203-06-11590

Bracket

15

01010-81225

Bolt

16

01643-31232

Washer

17

08028-42085

Cable, Ground

18

08038-04030

Cap, Terminal

19

21T-72-23260

Clip

20

01010-81020

Bolt

21

01643-31032

Washer

22

08028-42070

Cable, Ground

23

08038-04030

Cap, Terminal

24

04434-51210

Clip

25

01010-81020

Bolt

26

01643-31032

Washer

27

08038-22009

Cap, Terminal

28

01010-81020

Bolt

29

01643-31032

Washer

30

08028-42030

Cable, Ground

31

01010-81016

Bolt

32

01643-31032

Washer

33

08034-20536

Band

34

134-03-61410

Band

35

01010-81020

Bolt

36

01643-31032

Washer

37

08034-20519

Band

38

08034-40521

Band

Выбрано товаров: 38