Запчасти Komatsu PC130-8 КАБИНА, ПОЛ, ПРОВОДКА (№8-) КАБИНА, КАБИНА ROPS, ЗАЩИТА ОТ ВАНДАЛИЗМА, С AMBER COLOR WARNING МИГАЛКА, AM-FM РАДИО, ASIA И OCEANIA, VOLT POWER ПОДАЮЩ.

Схема запчастей Komatsu PC130-8 - КАБИНА, ПОЛ, ПРОВОДКА (№8-) КАБИНА, КАБИНА ROPS, ЗАЩИТА ОТ ВАНДАЛИЗМА, С AMBER COLOR WARNING МИГАЛКА, AM-FM РАДИО, ASIA И OCEANIA, VOLT POWER ПОДАЮЩ.
32
33
24
22
29
24
32
33
34
35
42
41
39
40
37
38
23
27
28
26
25
26
26
27
26
27
28
26
23
36
31
23
22
21
20
19
18
17
16
15
14
13
12
11
10
9
8
7
6
5
4
3
2
1
30
FIT
1:1
100%

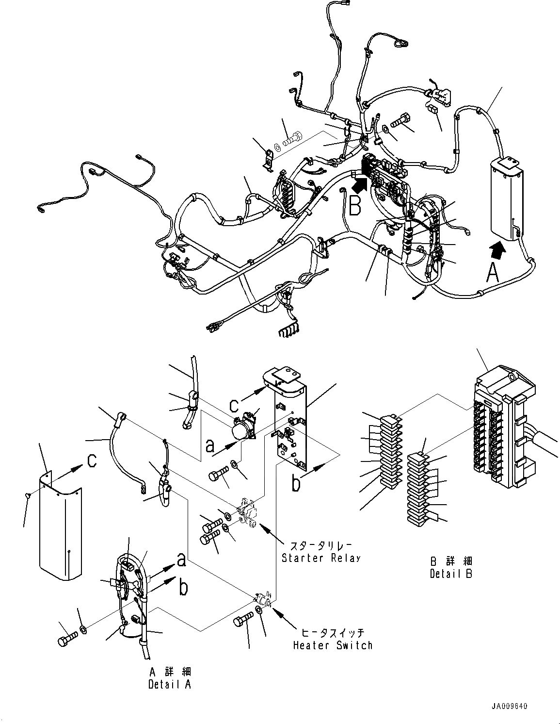
Артикул

Название

Примечание

Количество

1

203-06-11260

Bracket

2

08088-30000

Switch, Battery Relay

3

01010-80830

Bolt

4

01643-30823

Washer

5

08038-00519

Cap, Terminal

6

08038-06031

Cap

7

08038-00035

Cap, Terminal

8

01010-80816

Bolt

9

01643-30823

Washer

10

01010-80816

Bolt

11

01643-30823

Washer

12

01010-80616

Bolt

13

01643-30623

Washer

14

08038-00519

Cap, Terminal

15

08038-06031

Cap

16

08034-20536

Band

17

01010-81020

Bolt

18

01643-31032

Washer

19

203-06-11370

Sheet

20

20T-54-74510

Cap

21

203-06-11340

Wiring Harness

22

203-06-11240

Cable

23

203-06-11731

Wiring Harness

23

203-06-11730

Wiring Harness

23

203-06-11211

Wiring Harness

24

08020-20000

Diode

25

08041-00500

Fuse, 5Amp.

26

08041-01000

Fuse, 10Amp.

27

08041-02000

Fuse, 20Amp.

28

08041-03000

Fuse, 30Amp.

29

19M-06-31720

Resistor

30

20Y-06-31660

Fusible Link, 30Amp.

31

22U-06-11270

Fusible Link, 65Amp.

32

HM6400-0012

F-Connector, Black

32

HM6409-0071

M-Connector, Black

33

HM6400-0013

F-Connector, Green

33

HM6409-0072

M-Connector, Green

34

HM6440-0129

F-Connector, Pink

34

HM6440-0128

M-Connector, Pink

35

HM6400-0016

F-Connector, Orange

35

HM6409-0075

M-Connector, Orange

36

08028-CB050

Cable, Ground

37

07095-40523

Cushion

38

04434-53212

Clip

39

01010-81230

Bolt

40

01643-31232

Washer

41

203-06-11310

Bracket

42

01010-81040

Bolt

Выбрано товаров: 48