Запчасти Komatsu PC130-8 ОСНОВН. УПРАВЛЯЮЩ. КЛАПАН, -АКТУАТОР, -ЧАСТИ ТИП, ОТВАЛ СПЕЦ-ЯIFICATION(№8-) ОСНОВН. УПРАВЛЯЮЩ. КЛАПАН, -АКТУАТОР, -ЧАСТИ ТИП, ОТВАЛ СПЕЦ-ЯIFICATION

Схема запчастей Komatsu PC130-8 - ОСНОВН. УПРАВЛЯЮЩ. КЛАПАН, -АКТУАТОР, -ЧАСТИ ТИП, ОТВАЛ СПЕЦ-ЯIFICATION(№8-) ОСНОВН. УПРАВЛЯЮЩ. КЛАПАН, -АКТУАТОР, -ЧАСТИ ТИП, ОТВАЛ СПЕЦ-ЯIFICATION
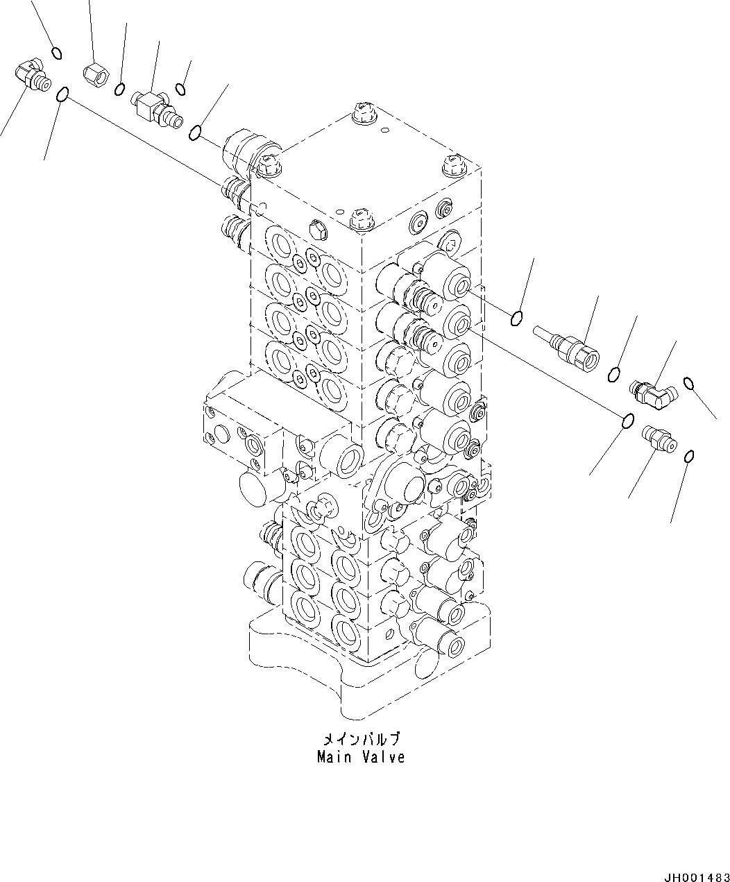
4
7
3
10
1
5
6
14
13
11
15
12
2
8
9
8
FIT
1:1
100%

Артикул

Название

Примечание

Количество

1

02782-10210

Elbow

2

02896-11008

O-ring

3

07002-11423

O-ring

4

02781-0021D

Union

5

02896-11008

O-ring

6

07002-11423

O-ring

7

11Y-62-12330

Tee

8

02896-11008

O-ring

9

02789-10210

Plug, Face Seal Type

10

07002-11423

O-ring

11

21K-62-76151

Sleeve

12

07002-11423

O-ring

13

02782-10210

Elbow

14

02896-11008

O-ring

15

07002-11423

O-ring

Выбрано товаров: 15