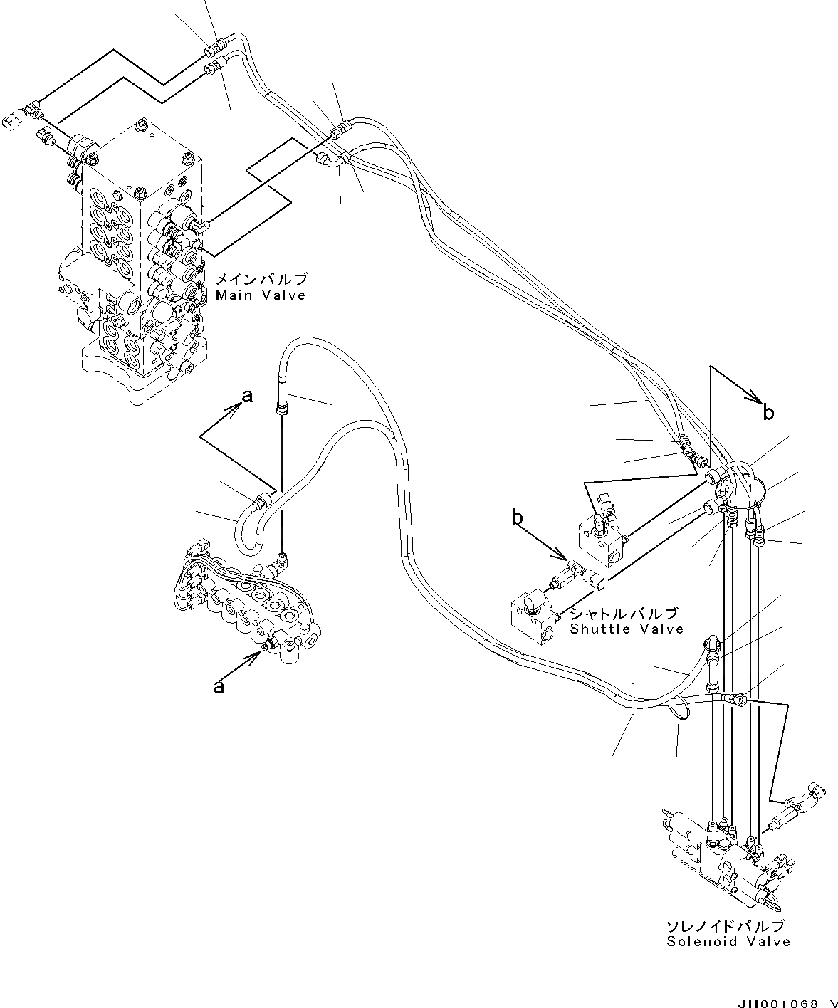
Запчасти Komatsu PC130-8 -ДОПОЛН. АКТУАТОР КОНТУР, БЫСТРОСЪЕМН. МЕХ-М(№8-) -ДОПОЛН. АКТУАТОР КОНТУР, БЫСТРОСЪЕМН. МЕХ-М

Схема запчастей Komatsu PC130-8 - -ДОПОЛН. АКТУАТОР КОНТУР, БЫСТРОСЪЕМН. МЕХ-М(№8-) -ДОПОЛН. АКТУАТОР КОНТУР, БЫСТРОСЪЕМН. МЕХ-М
2
2
1
1
4
5
10
10
9
9
6
6
8
8
13
13
13
13
3
3
7
7
11
12
11
12
FIT
1:1
100%

Артикул

Название

Примечание

Количество

1

20Y-62-52390

Hose, L=1700mm

2

21K-62-75380

Hose, L=1200mm

3

20Y-62-22810

Band, Yellow

4

203-62-14130

Hose, L=300mm

5

203-62-14140

Hose, L=210mm

6

203-62-13662

Hose, L=2150mm

|$6

203-62-13661

Hose, L=2150mm

7

20Y-62-22790

Band, Red

8

203-62-14330

Hose, L=1900mm

|$9

02760-00319

Hose, Face Seal Type

9

20Y-62-52130

Hose, L=1900mm

10

20Y-62-58230

Hose, L=1450mm

11

20Y-62-22840

Band, Black

12

20Y-62-22860

Band, Brown

13

08034-20536

Band

Выбрано товаров: 15