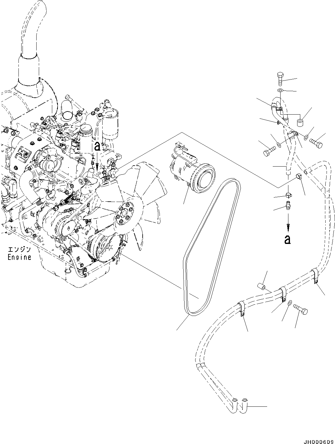
Запчасти Komatsu PC130-8 БЛОК КОНДИЦИОНЕРА(№8-) БЛОК КОНДИЦИОНЕРА

Схема запчастей Komatsu PC130-8 - БЛОК КОНДИЦИОНЕРА(№8-) БЛОК КОНДИЦИОНЕРА
15
16
18
14
17
13
12
11
21
3
2
7
9
8
5
4
21
10
6
1
2
20
19
FIT
1:1
100%

Артикул

Название

Примечание

Количество

1

20T-54-42510

Nipple

2

11Y-09-11160

Clip

3

04434-52112

Clip

4

01010-81220

Bolt

5

01643-31232

Washer

6

04434-52110

Clip

7

14X-54-26640

Collar

8

01010-81075

Bolt

9

01643-31032

Washer

10

04434-52112

Clip

11

01010-81220

Bolt

12

01643-31232

Washer

13

04435-52112

Clip

14

04435-52112

Clip

15

01010-81260

Bolt

16

01643-31232

Washer

17

23B-06-61810

Spacer

18

04435-52112

Clip

19

04120-21766

V-belt

20

20Y-810-1260

Compressor Assembly

21

203-979-1131

Hose Assembly

Выбрано товаров: 0