Запчасти Komatsu PC130-8 КАБИНА, -АКТУАТОР, -ЧАСТИ ТИП(№8-) КАБИНА, -АКТУАТОР, -ЧАСТИ ТИП

Схема запчастей Komatsu PC130-8 - КАБИНА, -АКТУАТОР, -ЧАСТИ ТИП(№8-) КАБИНА, -АКТУАТОР, -ЧАСТИ ТИП
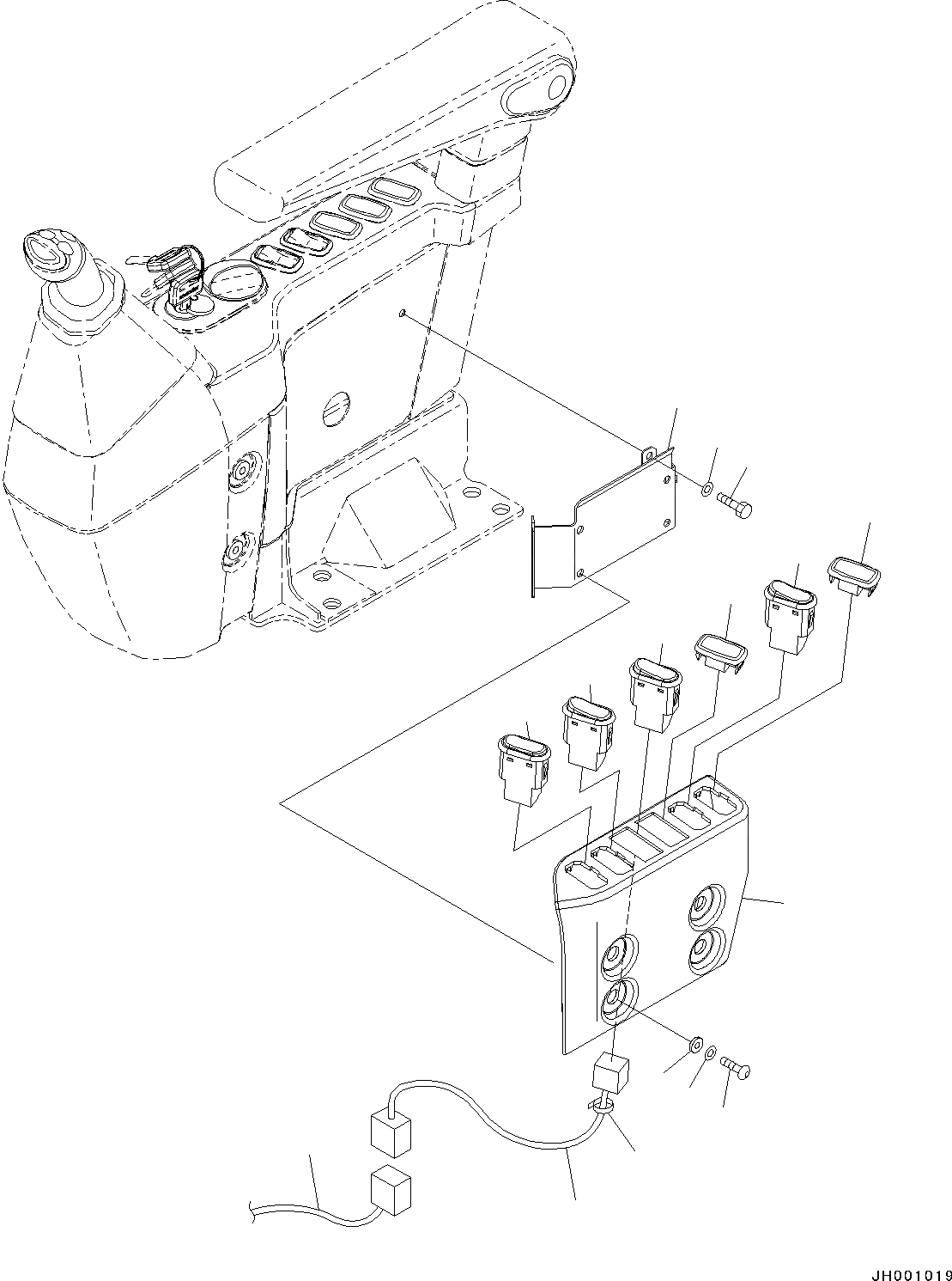
9
13
12
11
8
7
6
5
3
2
4
1
10
14
16
15
FIT
1:1
100%

Артикул

Название

Примечание

Количество

1

20Y-43-41880

Cover

2

01245-00616

Screw, Hexagon Socket Head

3

01643-70623

Washer

4

20Y-53-12310

Collar

5

20Y-43-41372

Bracket

6

01010-D0612

Bolt

7

01643-70623

Washer

8

20Y-06-42150

Switch

9

20Y-06-42160

Switch

10

20Y-06-42190

Cover

11

20J-06-11630

Switch

12

20E-06-K1610

Cover

13

17A-06-42230

Switch

14

20Y-06-48651

Wire Harness

15

08034-20536

Band

16

20Y-06-K8130

Wire Harness

Выбрано товаров: 16