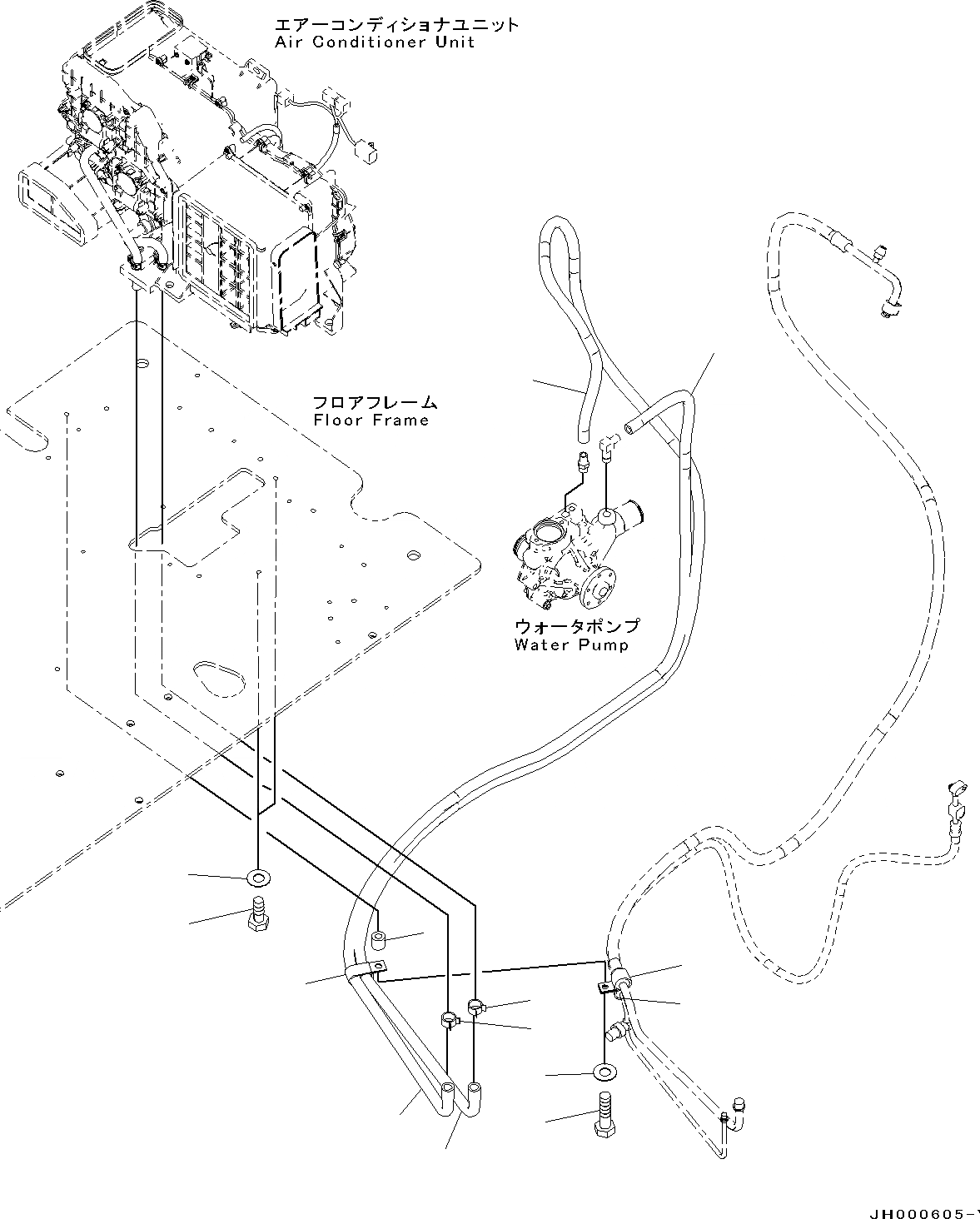
Запчасти Komatsu PC130-8 КАБИНА, -АКТУАТОР, ОТВАЛ СПЕЦ-ЯIFICATION(№8-) КАБИНА, -АКТУАТОР, ОТВАЛ СПЕЦ-ЯIFICATION

Схема запчастей Komatsu PC130-8 - КАБИНА, -АКТУАТОР, ОТВАЛ СПЕЦ-ЯIFICATION(№8-) КАБИНА, -АКТУАТОР, ОТВАЛ СПЕЦ-ЯIFICATION
1
1
3
3
4
2
7
6
5
8
12
9
10
11
FIT
1:1
100%

Артикул

Название

Примечание

Количество

1

203-979-1131

Hose Assembly

2

09479-02400

Clamp

3

203-979-1141

Hose Assembly

4

09479-02400

Clamp

5

04434-52110

Clip

6

04434-52511

Clip

7

195-33-11220

Spacer

8

01010-81045

Bolt

9

01643-31032

Washer

10

01010-81016

Bolt

11

01643-31032

Washer

12

141-06-11220

Clip

Выбрано товаров: 12