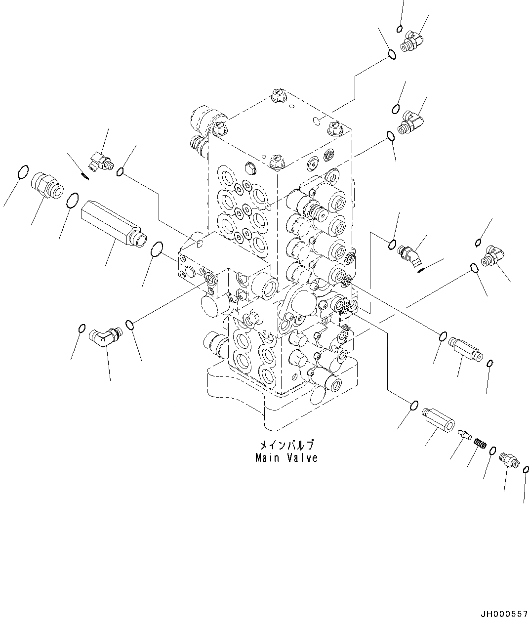
Запчасти Komatsu PC130-8 ОСНОВН. УПРАВЛЯЮЩ. КЛАПАН, -АКТУАТОР, СОЕДИНИТЕЛЬН. ЧАСТИ, LS, ГЛАВН. ТРУБЫ, (/) ОСНОВН. УПРАВЛЯЮЩ. КЛАПАН, -АКТУАТОР

Схема запчастей Komatsu PC130-8 - ОСНОВН. УПРАВЛЯЮЩ. КЛАПАН, -АКТУАТОР, СОЕДИНИТЕЛЬН. ЧАСТИ, LS, ГЛАВН. ТРУБЫ, (/) ОСНОВН. УПРАВЛЯЮЩ. КЛАПАН, -АКТУАТОР
15
14
16
24
26
24
23
25
19
17
18
2
1
3
7
8
9
10
11
13
12
32
30
31
28
27
29
21
22
6
4
5
20
FIT
1:1
100%

Артикул

Название

Примечание

Количество

1

02782-10311

Elbow

2

02896-11009

O-ring

3

07002-11423

O-ring

4

02782-10210

Elbow

5

02896-11008

O-ring

6

07002-11423

O-ring

|7

20Y-62-41701

Valve Assembly

8

20Y-60-22270

Poppet

9

701-20-61230

Spring

10

07002-11423

O-ring

11

20Y-62-47630

Nipple

12

02896-11008

O-ring

13

07002-11423

O-ring

14

11Y-62-12230

Union

15

02896-11008

O-ring

16

07002-11423

O-ring

17

20Y-62-41920

Elbow

18

07002-11223

O-ring

19

02896-11008

O-ring

20

02782-10311

Elbow

21

02896-11009

O-ring

22

07002-11423

O-ring

23

02781-00628

Union

24

07002-12434

O-ring

25

02896-11018

O-ring

26

203-62-63770

Joint

27

02783-10210

Elbow

28

07002-11423

O-ring

29

02896-11008

O-ring

30

02782-10210

Elbow

31

07002-11423

O-ring

32

02896-11008

O-ring

Выбрано товаров: 32