Качественные детали и логистика
Оригинальные и аналоговые запчасти с доставкой по России, Казахстану и Беларуси
©2022 PartSell ООО "Система" ИНН 2463123282 ОГРН 1212400004838
Центральный офис: г. Красноярск, Академика Киренского, д.87, пом.4
Телефон: 8 (800) 777-65-74 Email: zakaz@partsell.ru
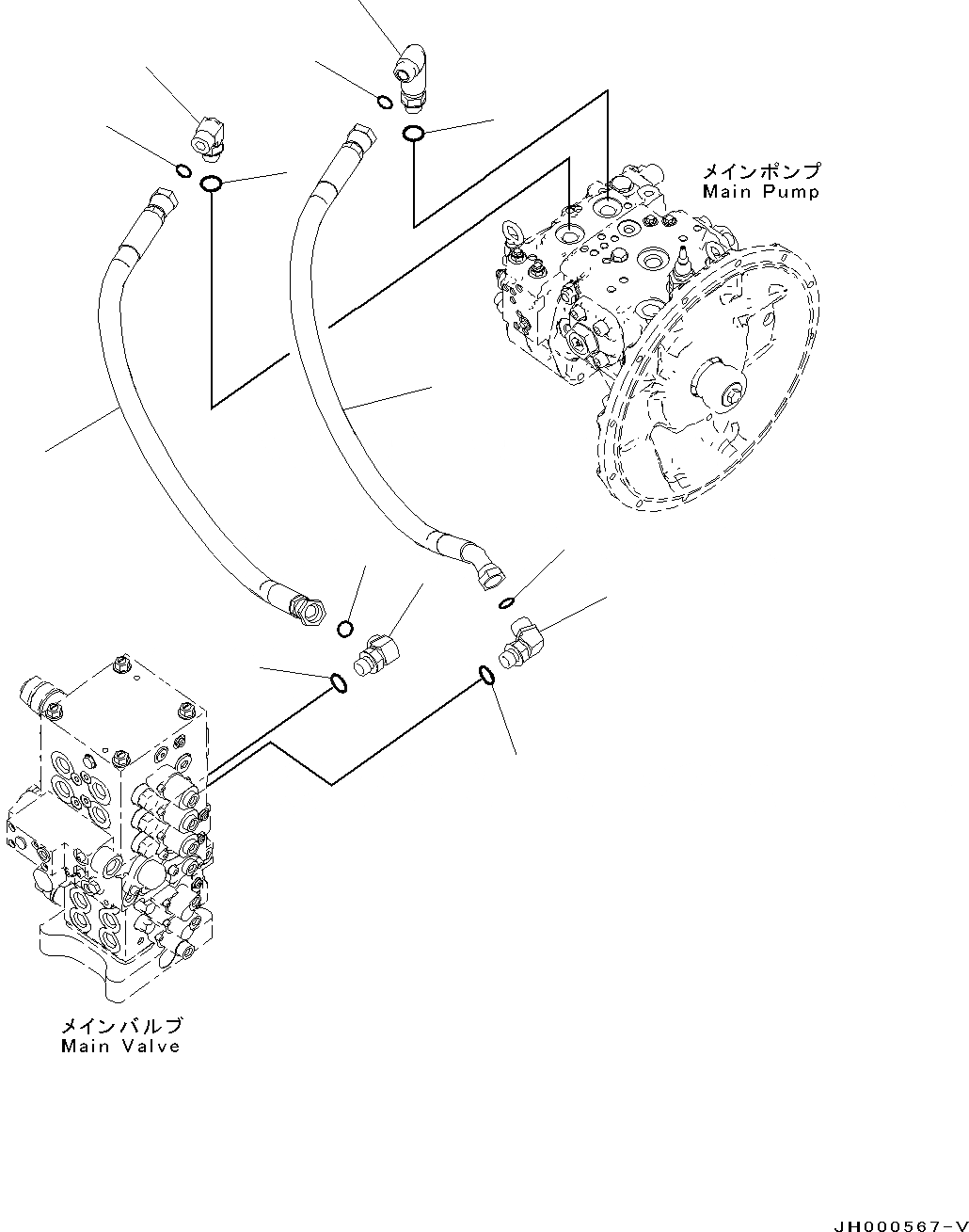
ПОДАЮЩ. ТРУБЫ
№
Артикул
Название
Примечание
Количество
1
203-62-12841
Elbow
2
02896-11018
O-ring
3
07002-12434
4
02782-10628
5
203-62-12590
6
7
8
203-62-11141
Hose
9
203-62-12281
Выбрано товаров: 0