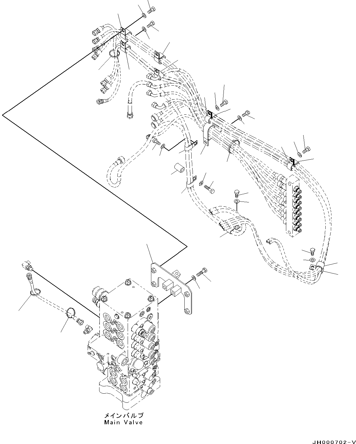
Запчасти Komatsu PC130-8 ПРОПОРЦИОНАЛЬН. PRESSURE УПРАВЛ-Е (PPC) КЛАПАН ТРУБЫ, -АКТУАТОР, (/) ПРОПОРЦИОНАЛЬН. PRESSURE УПРАВЛ-Е (PPC) КЛАПАН ТРУБЫ, -АКТУАТОР

Схема запчастей Komatsu PC130-8 - ПРОПОРЦИОНАЛЬН. PRESSURE УПРАВЛ-Е (PPC) КЛАПАН ТРУБЫ, -АКТУАТОР, (/) ПРОПОРЦИОНАЛЬН. PRESSURE УПРАВЛ-Е (PPC) КЛАПАН ТРУБЫ, -АКТУАТОР
26
26
26
27
27
27
25
25
25
24
24
24
22
21
19
18
17
15
14
13
13
13
13
11
10
8
9
7
7
5
6
4
4
2
3
1
16
23
20
12
FIT
1:1
100%

Артикул

Название

Примечание

Количество

1

203-62-12821

Bracket

2

01010-81060

Bolt

3

01643-31032

Washer

4

04434-53412

Clip

5

01010-81230

Bolt

6

01643-31232

Washer

7

04434-52712

Clip

8

01010-81230

Bolt

9

01643-31232

Washer

10

196-911-3310

Clip

11

01010-81220

Bolt

12

01643-31232

Washer

13

08034-20536

Band

14

04435-51812

Clip

15

01010-81220

Bolt

16

01643-31232

Washer

17

20Y-03-11220

Collar

18

04435-51812

Clip

19

01010-81260

Bolt

20

01643-31232

Washer

21

04435-51812

Clip

22

01010-81220

Bolt

23

01643-31232

Washer

24

04434-52512

Clip

25

04435-51212

Clip

26

01010-81220

Bolt

27

01643-31232

Washer

Выбрано товаров: 27