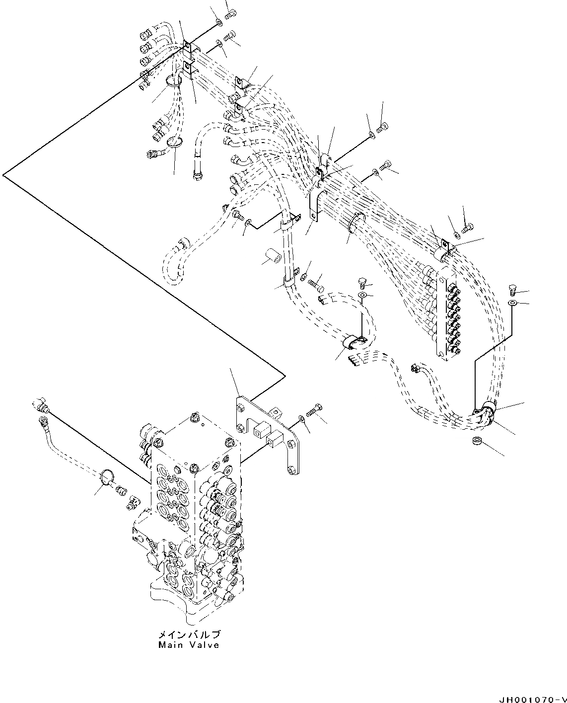
Запчасти Komatsu PC130-8 ПРОПОРЦИОНАЛЬН. PRESSURE УПРАВЛ-Е (PPC) КЛАПАН ТРУБЫ, -АКТУАТОР, (/) ПРОПОРЦИОНАЛЬН. PRESSURE УПРАВЛ-Е (PPC) КЛАПАН ТРУБЫ, -АКТУАТОР

Схема запчастей Komatsu PC130-8 - ПРОПОРЦИОНАЛЬН. PRESSURE УПРАВЛ-Е (PPC) КЛАПАН ТРУБЫ, -АКТУАТОР, (/) ПРОПОРЦИОНАЛЬН. PRESSURE УПРАВЛ-Е (PPC) КЛАПАН ТРУБЫ, -АКТУАТОР
1
2
3
13
14
33
24
36
35
34
28
26
27
36
13
15
16
19
20
10
12
11
24
17
18
21
23
22
31
32
30
29
7
4
8
9
5
6
4
13
7
13
25
FIT
1:1
100%

Артикул

Название

Примечание

Количество

1

203-62-12821

Bracket

2

01010-81060

Bolt

3

01643-31032

Washer

4

04434-53412

Clip

5

01010-81230

Bolt

6

01643-31232

Washer

7

04434-52712

Clip

8

01010-81230

Bolt

9

01643-31232

Washer

10

196-911-3310

Clip

11

01010-81220

Bolt

12

01643-31232

Washer

13

08034-20536

Band

14

04435-51812

Clip

15

01010-81220

Bolt

16

01643-31232

Washer

17

20Y-03-11220

Collar

18

04435-51812

Clip

19

01010-81260

Bolt

20

01643-31232

Washer

21

04435-51812

Clip

22

01010-81220

Bolt

23

01643-31232

Washer

24

04434-52512

Clip

25

04435-51212

Clip

26

01010-81220

Bolt

27

01643-31232

Washer

28

04434-52512

Clip

29

04435-51212

Clip

30

131-43-41631

Spacer

31

01010-81240

Bolt

32

01643-31232

Washer

33

198-43-15310

Collar

34

01010-81230

Bolt

35

01643-31232

Washer

36

04434-53212

Clip

Выбрано товаров: 36