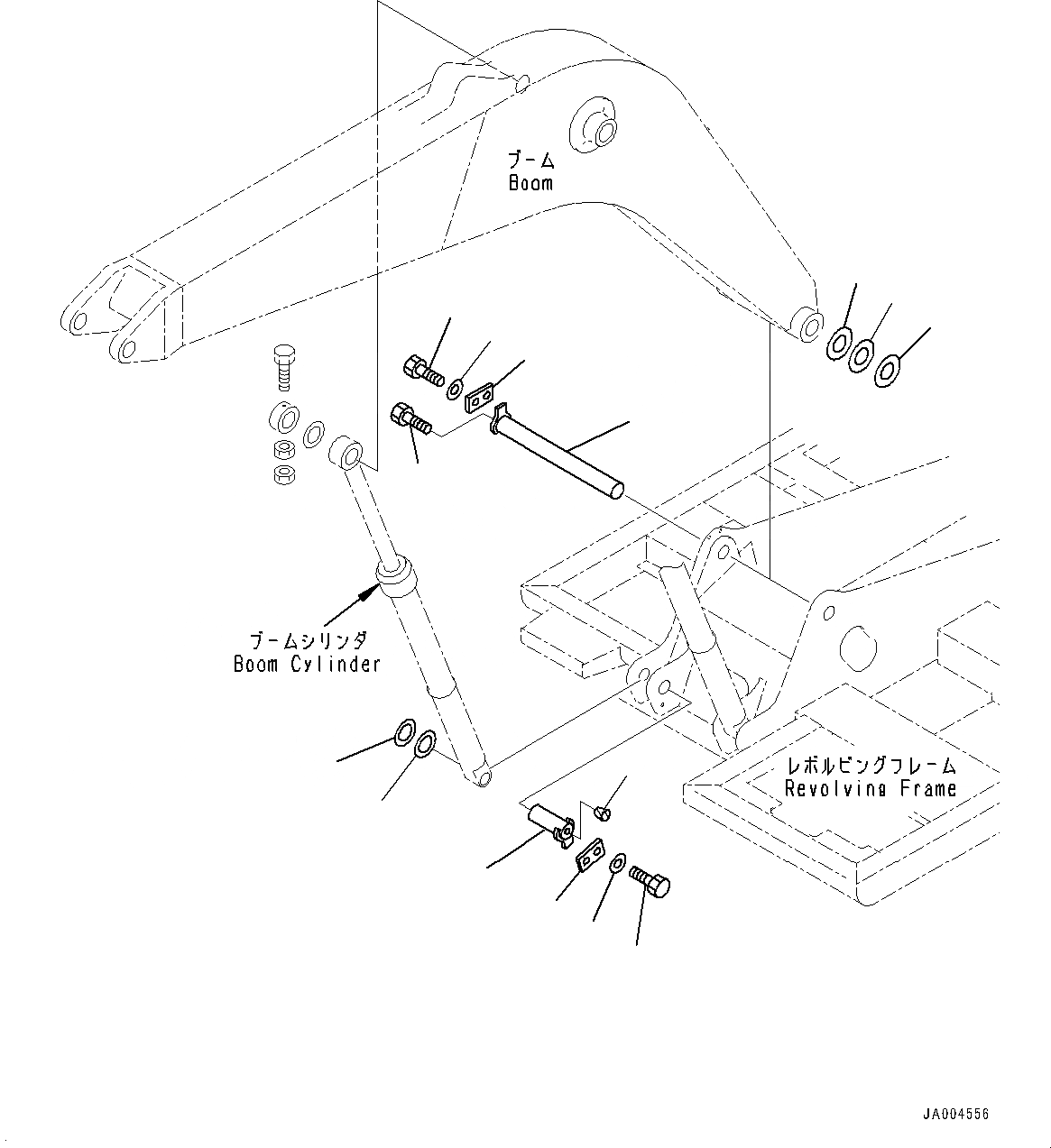
Запчасти Komatsu PC130-8 СТРЕЛА НИЖН. ПАЛЕЦ, ЧАС. СИСТ. СМАЗКИ ТИП СТРЕЛА НИЖН. ПАЛЕЦ, ЧАС. СИСТ. СМАЗКИ ТИП

Схема запчастей Komatsu PC130-8 - СТРЕЛА НИЖН. ПАЛЕЦ, ЧАС. СИСТ. СМАЗКИ ТИП СТРЕЛА НИЖН. ПАЛЕЦ, ЧАС. СИСТ. СМАЗКИ ТИП
4
8
13
12
11
10
9
5
2
3
1
6
7
14
15
FIT
1:1
100%

Артикул

Название

Примечание

Количество

1

202-70-61160

Pin

2

01010-61625

Bolt

3

205-70-66580

Plate

4

01010-81230

Bolt

5

01643-31232

Washer

6

21Y-70-14760

Spacer, T=2.0mm

7

20U-70-31340

Spacer, T=1.0mm

8

20U-70-31330

Spacer, T=0.5mm

9

203-46-56260

Pin

10

205-70-66580

Plate

11

01010-81230

Bolt

12

01643-31232

Washer

13

21Y-70-14830

Spacer, T=1.0mm

14

21Y-70-14840

Spacer, T=2.0mm

15

07049-01620

Plug

Выбрано товаров: 15