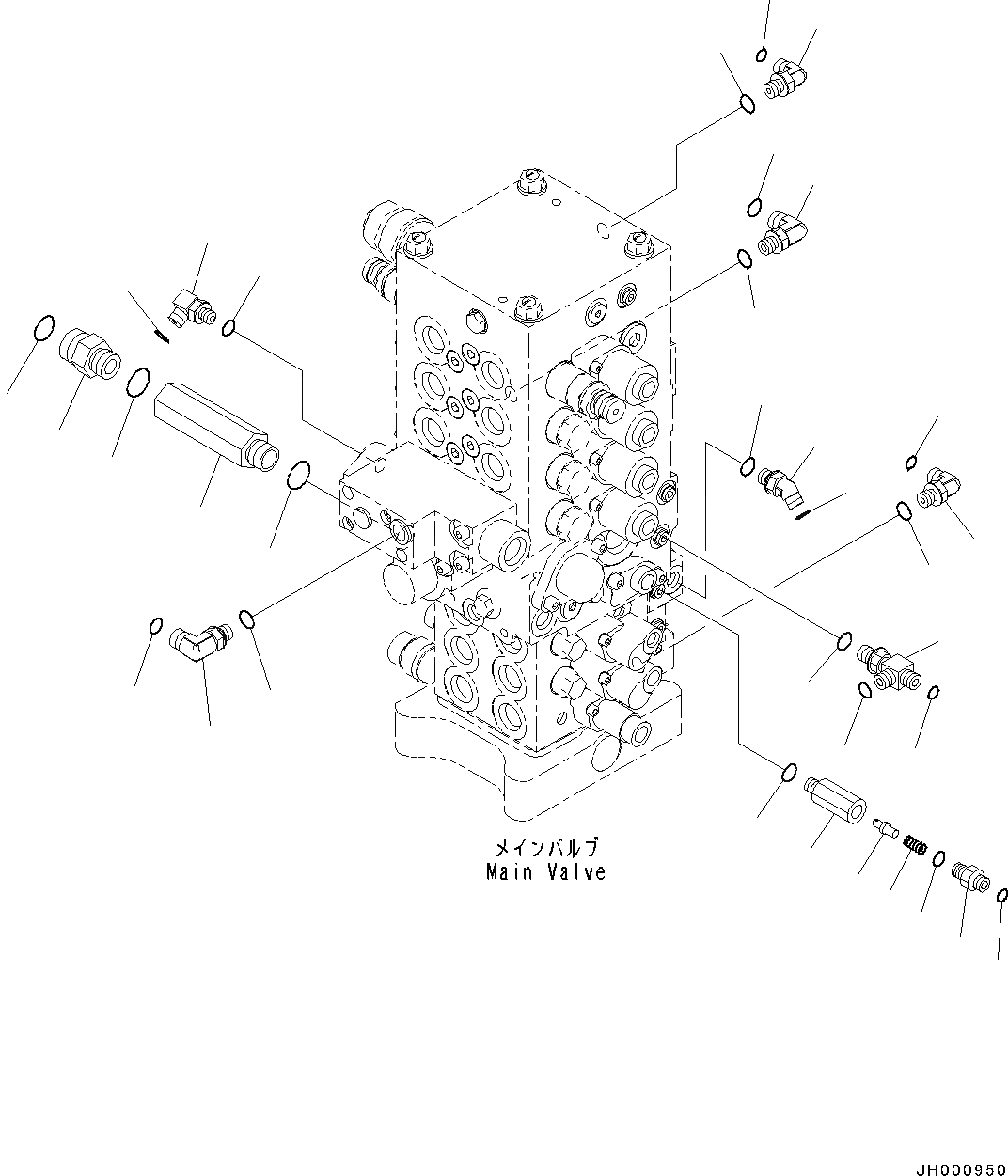
Запчасти Komatsu PC130-8 ОСНОВН. УПРАВЛЯЮЩ. КЛАПАН, -АКТУАТОР, -ЧАСТИ ТИП H ГИДРАВЛИКА

Схема запчастей Komatsu PC130-8 - ОСНОВН. УПРАВЛЯЮЩ. КЛАПАН, -АКТУАТОР, -ЧАСТИ ТИП H ГИДРАВЛИКА
15
14
16
24
26
24
23
25
19
17
18
2
1
3
7
8
9
10
11
13
12
32
30
31
28
27
29
21
22
6
4
5
20
15
FIT
1:1
100%

Артикул

Название

Примечание

Количество

1

02782-10311

Elbow

2

02896-11009

O-Ring

3

07002-11423

O-Ring

4

02782-10210

Elbow

5

02896-11008

O-Ring

6

07002-11423

O-Ring

|$6

20Y-62-41701

Valve Assembly

7

Body

8

20Y-60-22270

Poppet

9

701-20-61230

Spring

10

07002-11423

O-Ring

11

20Y-62-47630

Nipple

12

02896-11008

O-Ring

13

07002-11423

O-Ring

14

11Y-62-12330

Tee

15

02896-11008

O-Ring

16

07002-11423

O-Ring

17

20Y-62-41920

Elbow

18

07002-11223

O-Ring

19

02896-11008

O-Ring

20

02782-10311

Elbow

21

02896-11009

O-Ring

22

07002-11423

O-Ring

23

02781-00628

Union

24

07002-12434

O-Ring

25

02896-11018

O-Ring

26

203-62-63770

Joint

27

02783-10210

Elbow

28

07002-11423

O-Ring

29

02896-11008

O-Ring

30

02782-10210

Elbow

31

07002-11423

O-Ring

32

02896-11008

O-Ring

Выбрано товаров: 0