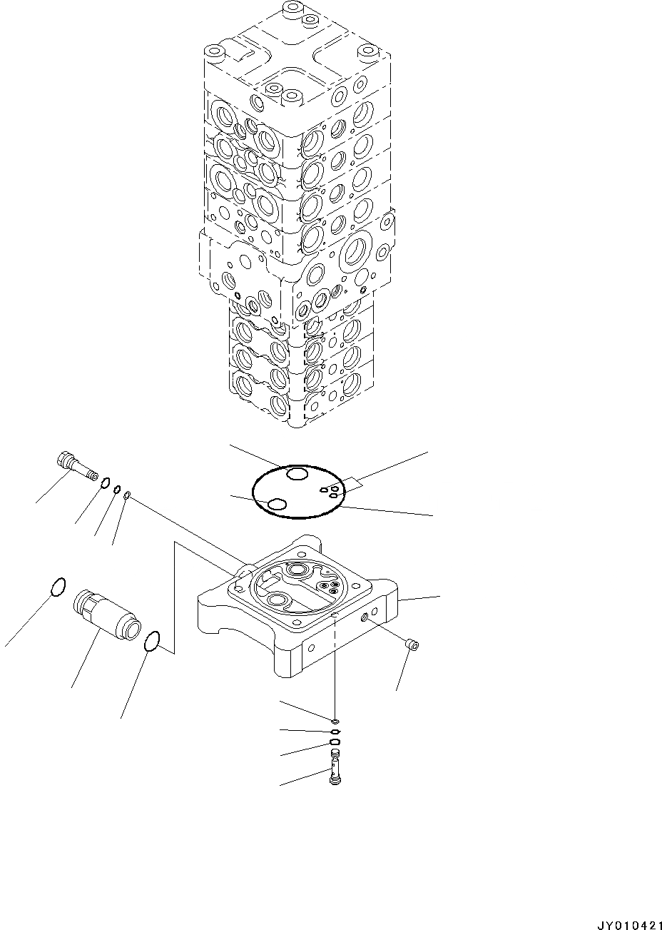
Запчасти Komatsu PC130-8 ОСНОВН. УПРАВЛЯЮЩ. КЛАПАН, -АКТУАТОР, ОТВАЛ СПЕЦ-ЯIFICATION H ГИДРАВЛИКА

Схема запчастей Komatsu PC130-8 - ОСНОВН. УПРАВЛЯЮЩ. КЛАПАН, -АКТУАТОР, ОТВАЛ СПЕЦ-ЯIFICATION H ГИДРАВЛИКА
1
2
3
4
5
10
11
12
13
14
15
16
17
8
9
6
7
FIT
1:1
100%

Артикул

Название

Примечание

Количество

|$0

723-58-12800

Valve, Control

|$1

Body Group

1

Block

2

723-26-15170

Plug

3

07002-11423

O-Ring

4

07000-11007

O-Ring

5

07001-01007

Ring, Back-up

6

723-60-23301

Valve Assembly, Check

7

07000-11005

O-Ring

8

07001-01005

Ring, Back-up

9

07002-11023

O-Ring

10

Plug

11

723-26-15991

Union

12

07000-13024

O-Ring

13

02896-11018

O-Ring

14

07000-11008

O-Ring

15

07000-12120

O-Ring

16

723-26-15840

O-Ring

17

07000-12022

O-Ring

Выбрано товаров: 0