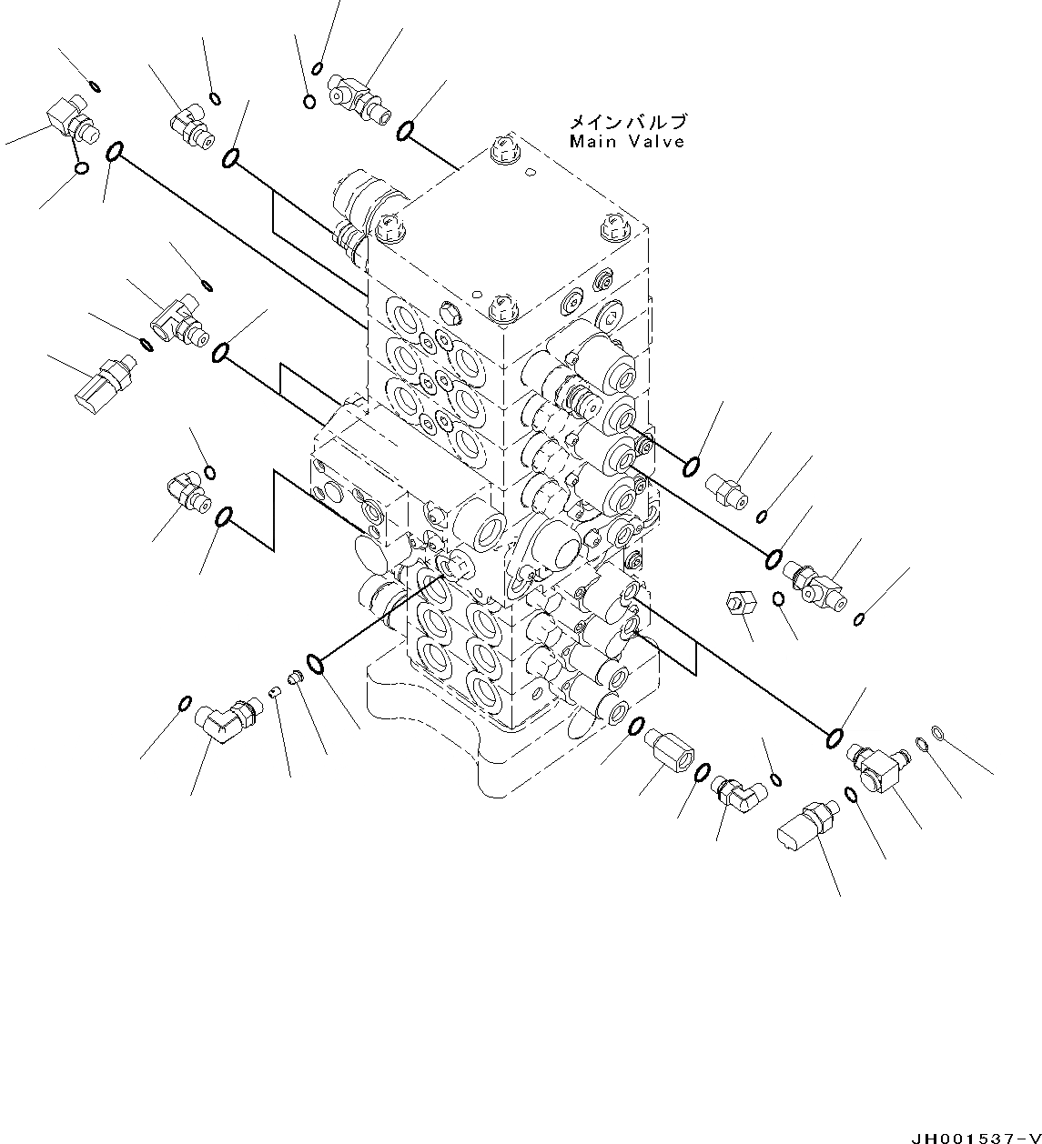
Запчасти Komatsu PC130-8 ОСНОВН. УПРАВЛЯЮЩ. КЛАПАН, -АКТУАТОР, ОТВАЛ СПЕЦ-ЯIFICATION H ГИДРАВЛИКА

Схема запчастей Komatsu PC130-8 - ОСНОВН. УПРАВЛЯЮЩ. КЛАПАН, -АКТУАТОР, ОТВАЛ СПЕЦ-ЯIFICATION H ГИДРАВЛИКА
31
32
30
28
29
28
27
26
24
24
26
24
22
20
20
21
21
17
18
19
16
15
14
13
11
12
9
4
5
1
3
2
7
8
8
6
23
25
10
12
11
9
12
FIT
1:1
100%

Артикул

Название

Примечание

Количество

|$0

22B-62-22390

Elbow Assembly

1

21K-62-72730

Elbow

2

21Y-60-11250

Poppet

3

21Y-62-11591

Plug

4

07002-11423

O-Ring

5

02896-11009

O-Ring

6

11Y-62-12330

Tee

7

07002-11423

O-Ring

8

02896-11008

O-Ring

9

22B-62-21381

Elbow

10

203-62-58880

Adapter

11

02896-11008

O-Ring

12

07002-11423

O-Ring

13

22B-62-22690

Tee

14

02896-11008

O-Ring

15

07002-11423

O-Ring

16

203-62-12811

Tee

17

201-60-11390

O-Ring

18

20Y-62-19560

O-Ring

19

07002-11423

O-Ring

20

7861-93-1840

Sensor

21

07000-12011

O-Ring

22

02781-0021D

Union

23

11Y-62-12330

Tee

24

02896-11008

O-Ring

25

02789-10210

Plug, Face Seal Type

26

07002-11423

O-Ring

27

207-62-72141

Elbow

28

02896-11008

O-Ring

29

07002-11423

O-Ring

30

02782-10210

Elbow

31

02896-11008

O-Ring

32

07002-11423

O-Ring

Выбрано товаров: 33