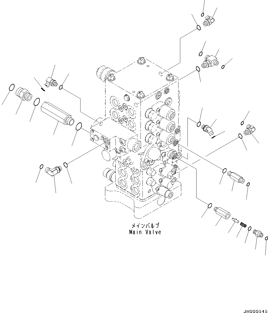
Запчасти Komatsu PC130-8 ОСНОВН. УПРАВЛЯЮЩ. КЛАПАН(№C-) ОСНОВН. УПРАВЛЯЮЩ. КЛАПАН

Схема запчастей Komatsu PC130-8 - ОСНОВН. УПРАВЛЯЮЩ. КЛАПАН(№C-) ОСНОВН. УПРАВЛЯЮЩ. КЛАПАН
15
14
16
25
27
25
24
26
19
17
18
2
1
3
7
8
9
10
11
13
12
33
31
32
29
28
30
21
20
22
23
6
4
5
FIT
1:1
100%

Артикул

Название

Примечание

Количество

1

02782-10311

Elbow

2

02896-11009

O-ring

3

07002-11423

O-ring

4

02782-10210

Elbow

5

02896-11008

O-ring

6

07002-11423

O-ring

6

20Y-62-41701

Valve Assembly

7

Body

8

20Y-60-22270

Poppet

9

701-20-61230

Spring

10

07002-11423

O-ring

11

20Y-62-47630

Nipple

12

02896-11008

O-ring

13

07002-11423

O-ring

14

11Y-62-12230

Union

15

02896-11008

O-ring

16

07002-11423

O-ring

17

20Y-62-41920

Elbow

18

07002-11223

O-ring

19

02896-11008

O-ring

20

11Y-62-12820

Tee

21

02896-11009

O-ring

22

02896-11008

O-ring

23

07002-11423

O-ring

24

02781-00628

Union

25

07002-12434

O-ring

26

02896-11018

O-ring

27

203-62-63770

Joint

28

02783-10210

Elbow

29

07002-11423

O-ring

30

02896-11008

O-ring

31

02782-10210

Elbow

32

07002-11423

O-ring

33

02896-11008

O-ring

Выбрано товаров: 34