Запчасти Komatsu PC130-8 ПРОПОРЦИОНАЛЬН. PRESSURE УПРАВЛ-Е (PPC) КЛАПАН КОНТУР(№C-) ПРОПОРЦИОНАЛЬН. PRESSURE УПРАВЛ-Е (PPC) КЛАПАН КОНТУР

Схема запчастей Komatsu PC130-8 - ПРОПОРЦИОНАЛЬН. PRESSURE УПРАВЛ-Е (PPC) КЛАПАН КОНТУР(№C-) ПРОПОРЦИОНАЛЬН. PRESSURE УПРАВЛ-Е (PPC) КЛАПАН КОНТУР
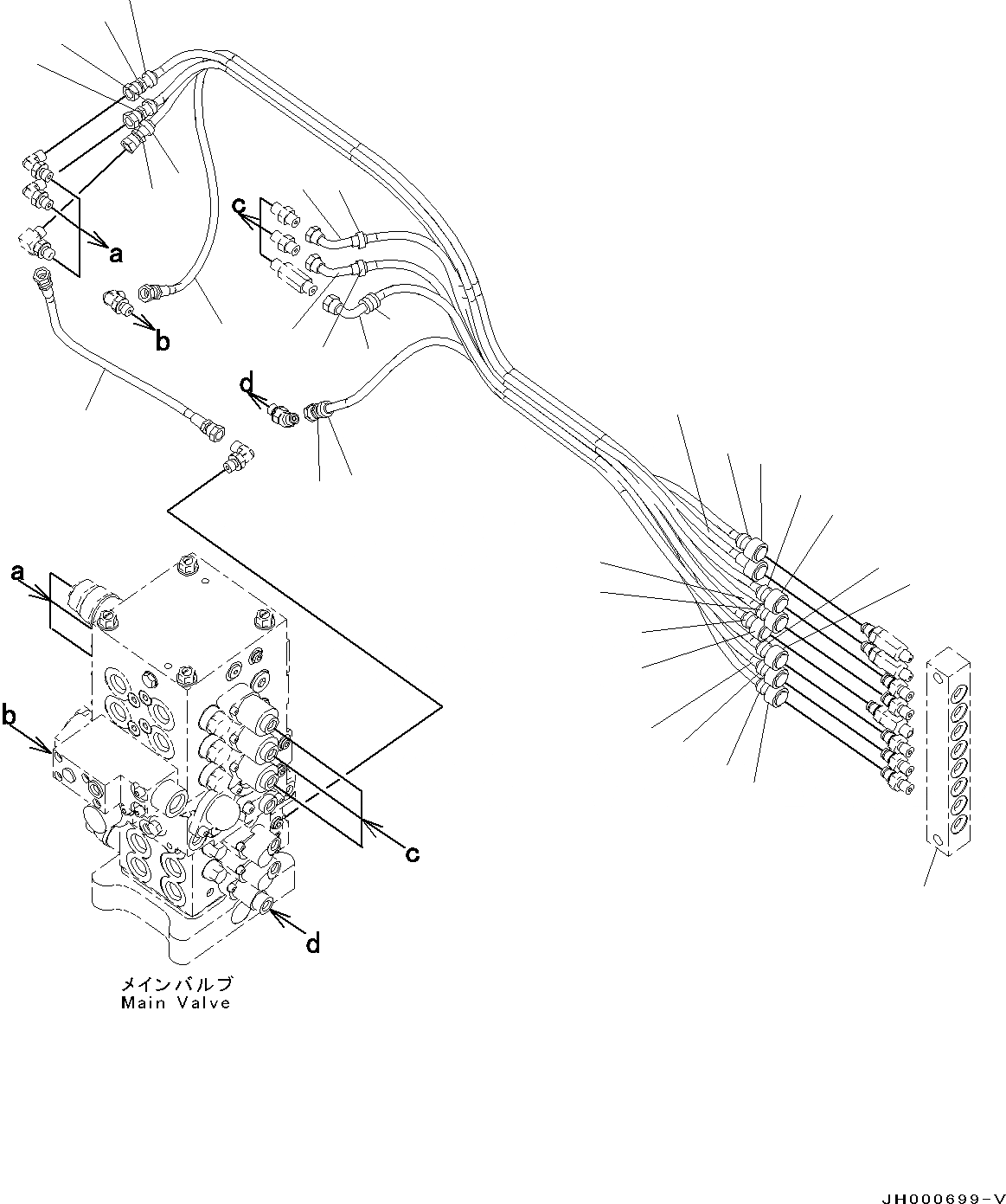
17
16
11
10
8
9
11
10
8
9
2
4
1
3
2
4
1
3
5
6
7
5
6
7
13
15
14
12
13
15
14
12
FIT
1:1
100%

Артикул

Название

Примечание

Количество

1

22U-62-26880

Hose

2

20Y-62-51840

Hose

3

203-62-12911

Hose

4

203-62-12890

Hose

5

20Y-62-22840

Band, Black

6

20Y-62-22850

Band, Green

7

20Y-62-22810

Band, Yellow

8

203-62-12870

Hose

9

203-62-12881

Hose

10

203-62-13260

Hose

11

22U-62-26920

Hose

12

20Y-62-22790

Band, Red

13

20Y-62-22820

Band, Blue

14

20Y-62-22830

Band, White

15

20Y-62-22860

Band, Brown

16

02760-002A4

Hose, Face Seal Type

17

203-62-12990

Bracket

Выбрано товаров: 17