Качественные детали и логистика
Оригинальные и аналоговые запчасти с доставкой по России, Казахстану и Беларуси
©2022 PartSell ООО "Система" ИНН 2463123282 ОГРН 1212400004838
Центральный офис: г. Красноярск, Академика Киренского, д.87, пом.4
Телефон: 8 (800) 777-65-74 Email: zakaz@partsell.ru
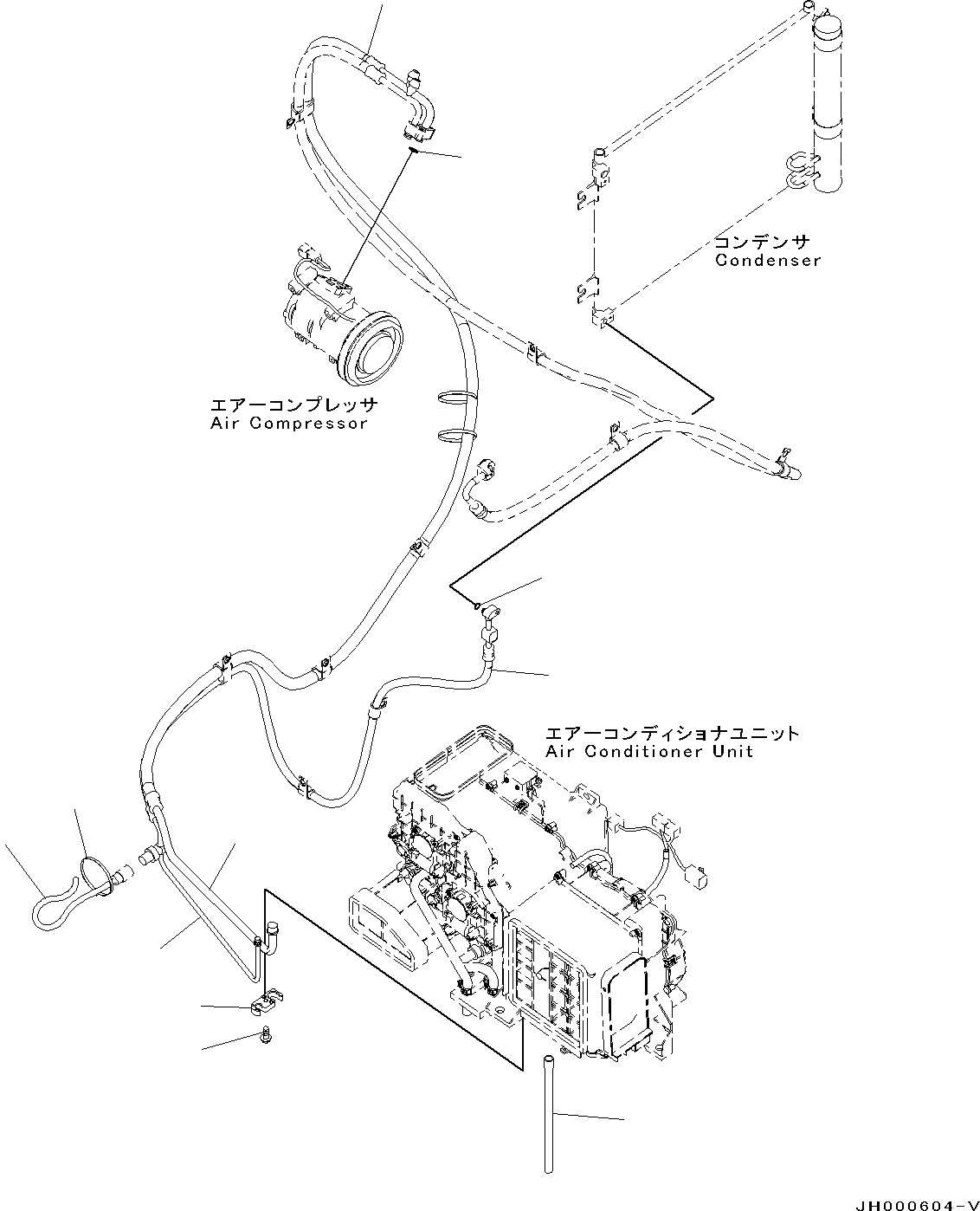
КАБИНА, ДЛЯ KAL(№C-)
№
Артикул
Название
Примечание
Количество
1
208-979-7640
Hose, L=300mm
2
203-979-1111
Hose
3
20Y-979-3150
O-ring
4
203-979-1121
5
20Y-979-3130
6
208-979-7650
Connector
7
01435-40620
Bolt
8
08034-20536
Band
9
203-06-11810
Wire Harness
Выбрано товаров: 0