Запчасти Komatsu PC130-8 КАБИНА, -АКТУАТОР(№C-) КАБИНА, -АКТУАТОР

Схема запчастей Komatsu PC130-8 - КАБИНА, -АКТУАТОР(№C-) КАБИНА, -АКТУАТОР
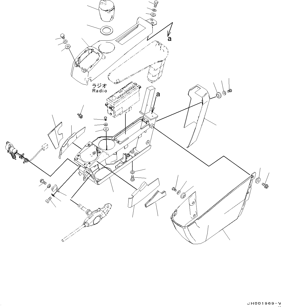
3
2
4
6
5
7
8
9
10
11
16
13
12
15
16
15
16
14
14
17
21
19
18
21
20
21
20
22
25
24
23
28
26
1
27
FIT
1:1
100%

Артикул

Название

Примечание

Количество

1

20Y-43-41415

Frame

2

01010-81030

Bolt

3

01643-31032

Washer

4

20Y-43-41472

Bracket

5

01010-80616

Bolt

6

01643-30623

Washer

7

20Y-43-41621

Sheet

8

20Y-43-41641

Sheet

9

20Y-43-41423

Cover

10

20Y-43-41651

Sheet

11

20Y-43-41661

Sheet

12

01245-00616

Screw, Hexagon Socket Head

13

01643-70623

Washer

14

01010-80616

Bolt

15

01643-30623

Washer

16

20Y-43-41290

Collar

17

20Y-43-41442

Cover

18

01245-00616

Screw, Hexagon Socket Head

19

01643-70623

Washer

20

01435-00612

Bolt

21

20Y-43-41290

Collar

22

20Y-43-41453

Cover

23

01245-00616

Screw, Hexagon Socket Head

24

01643-70623

Washer

25

20Y-43-41290

Collar

26

22U-43-23260

Clip

27

20Y-43-41970

Sheet

28

20Y-43-41491

Ashtray

Выбрано товаров: 0