Качественные детали и логистика
Оригинальные и аналоговые запчасти с доставкой по России, Казахстану и Беларуси
©2022 PartSell ООО "Система" ИНН 2463123282 ОГРН 1212400004838
Центральный офис: г. Красноярск, Академика Киренского, д.87, пом.4
Телефон: 8 (800) 777-65-74 Email: zakaz@partsell.ru
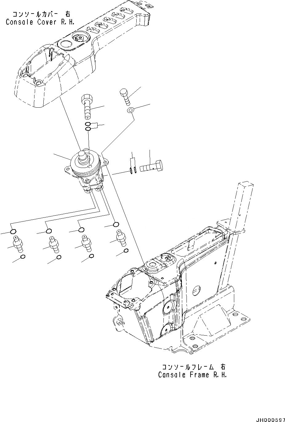
КАБИНА, -АКТУАТОР(№C-)
№
Артикул
Название
Примечание
Количество
1
01010-80820
Bolt
2
01643-30823
Washer
3
20Y-62-18910
Bolt, Eye
4
07000-12018
O-ring
5
20Y-62-18890
6
07000-12015
7
11Y-62-12130
Nipple
8
02896-11008
9
07002-11423
10
702-16-71141
Plate
Выбрано товаров: 0