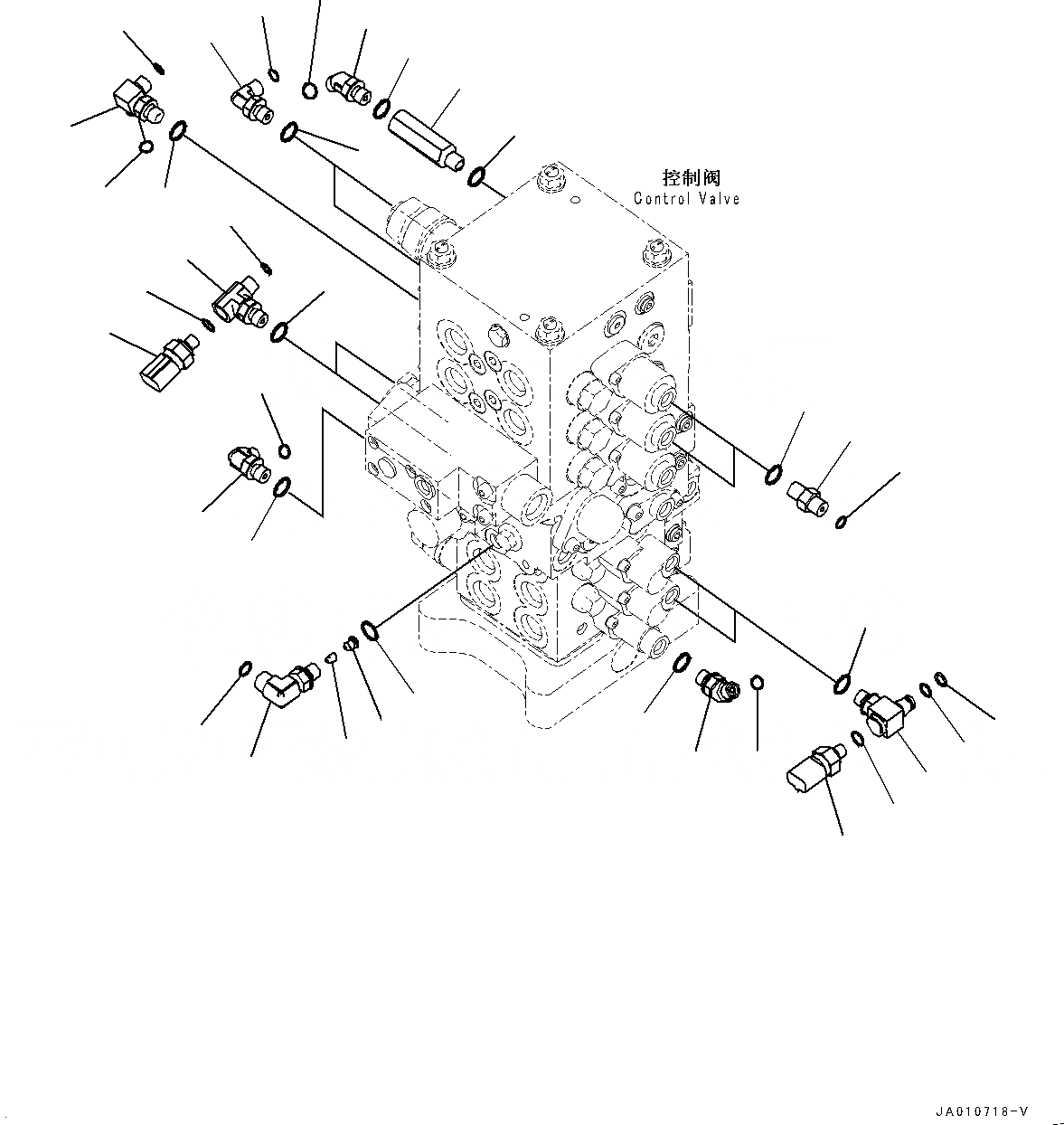
Запчасти Komatsu PC130-8M0 УПРАВЛЯЮЩ. КЛАПАН (С -ДОПОЛН. АКТУАТОР ТРУБЫ, АККУМУЛЯТОР) (СОЕДИНИТЕЛЬН. ЧАСТИ, LS ГЛАВН. ТРУБЫ) (/) H [ГИДРАВЛИКА]

Схема запчастей Komatsu PC130-8M0 - УПРАВЛЯЮЩ. КЛАПАН (С -ДОПОЛН. АКТУАТОР ТРУБЫ, АККУМУЛЯТОР) (СОЕДИНИТЕЛЬН. ЧАСТИ, LS ГЛАВН. ТРУБЫ) (/) H [ГИДРАВЛИКА]
31
32
30
28
29
28
27
25
26
24
22
22
23
23
19
20
21
18
17
16
15
14
13
12
13
14
11
4
5
1
3
2
9
7
8
6
10
FIT
1:1
100%

Артикул

Название

Примечание

Количество

|$1

ЧўЈєґЛБР±н°ьАЁТФПВ№жёсЎЈ

|$2

ґш1ёщёЅјУЦґРР»ъ№№№ЬВ·Ј¬РоДЬЖч

|$3

ґш1ёцјмРЮ·§

|$4

Note: This list covers following

|$$5

With 1-additional Actuator Pipin

Accumulator

|$6

With 1-Service Valve

-

22B-62-22390

ELBOW ASSEMBLY

1

21K-62-72730

ELBOW

2

21Y-60-11250

POPPET

3

21Y-62-11591

PLUG

4

07002-11423

O-RING

5

02896-11009

O-RING

6

02783-10210

ELBOW

7

07002-11423

O-RING

8

02896-11008

O-RING

9

21J-62-15940

ADAPTER

10

07002-11423

O-RING

11

22B-62-21381

ELBOW

12

203-62-13520

ELBOW

13

02896-11008

O-RING

14

07002-11423

O-RING

15

22B-62-22690

TEE

16

02896-11008

O-RING

17

07002-11423

O-RING

18

203-62-12811

TEE

19

201-60-11390

O-RING

20

20Y-62-19560

O-RING

21

07002-11423

O-RING

22

7861-93-1840

SENSOR, PRESSURE

23

07000-12011

O-RING

24

02781-0021D

UNION

25

02896-11008

O-RING

26

07002-11423

O-RING

27

207-62-72141

ELBOW

28

02896-11008

O-RING

29

07002-11423

O-RING

30

02782-10210

ELBOW

31

02896-11008

O-RING

32

07002-11423

O-RING

Выбрано товаров: 39