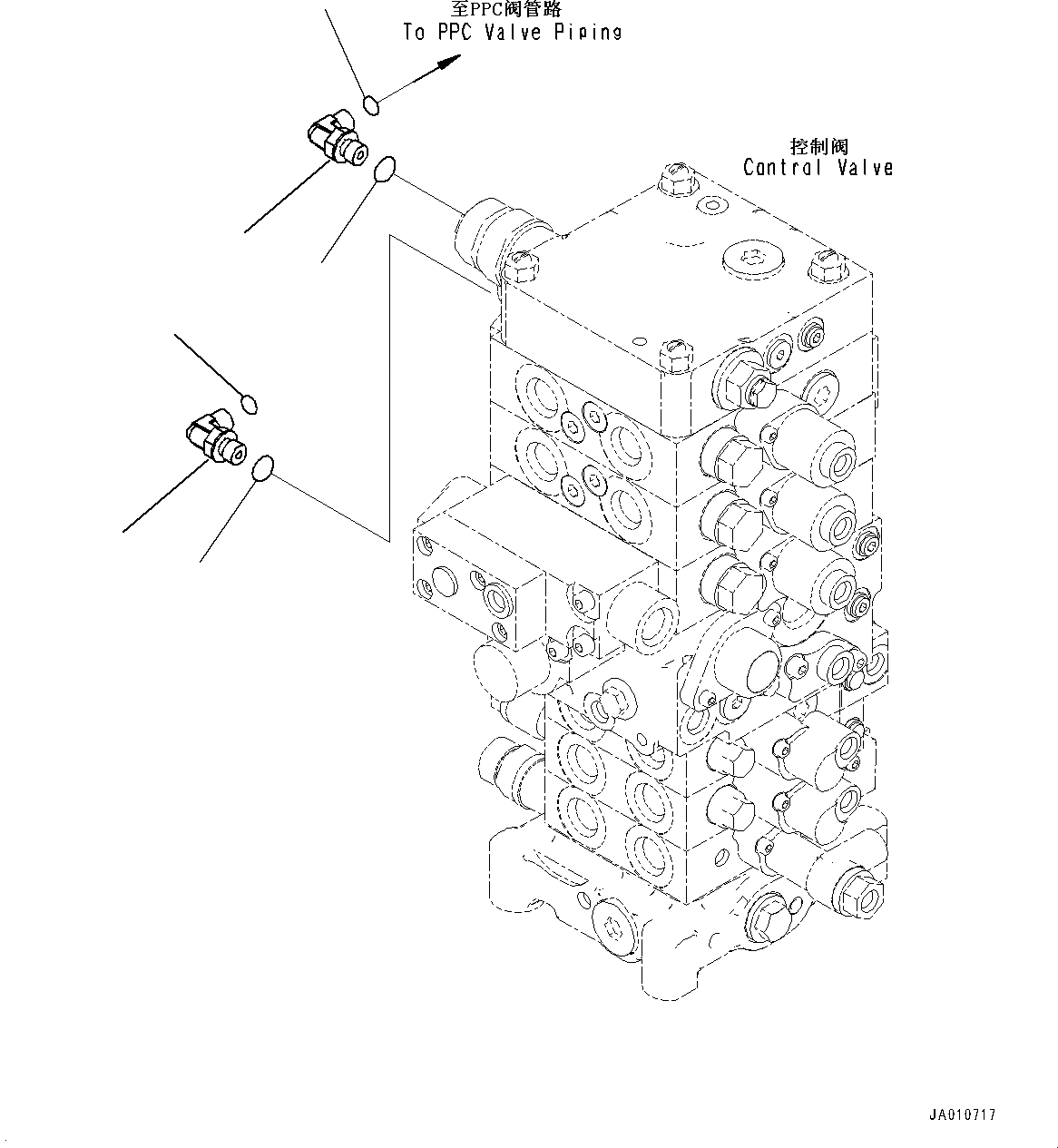
Запчасти Komatsu PC130-8M0 УПРАВЛЯЮЩ. КЛАПАН (С -ДОПОЛН. АКТУАТОР ТРУБЫ, АККУМУЛЯТОР) (СОЕДИНИТЕЛЬН. ЧАСТИ, КЛАПАН PPCТРУБЫ) H [ГИДРАВЛИКА]

Схема запчастей Komatsu PC130-8M0 - УПРАВЛЯЮЩ. КЛАПАН (С -ДОПОЛН. АКТУАТОР ТРУБЫ, АККУМУЛЯТОР) (СОЕДИНИТЕЛЬН. ЧАСТИ, КЛАПАН PPCТРУБЫ) H [ГИДРАВЛИКА]
3
2
1
6
5
4
FIT
1:1
100%

Артикул

Название

Примечание

Количество

1

02782-10210

ELBOW

2

02896-11008

O-RING

3

07002-11423

O-RING

4

02782-10210

ELBOW

5

02896-11008

O-RING

6

07002-11423

O-RING

Выбрано товаров: 6