Качественные детали и логистика
Оригинальные и аналоговые запчасти с доставкой по России, Казахстану и Беларуси
©2022 PartSell ООО "Система" ИНН 2463123282 ОГРН 1212400004838
Центральный офис: г. Красноярск, Академика Киренского, д.87, пом.4
Телефон: 8 (800) 777-65-74 Email: zakaz@partsell.ru
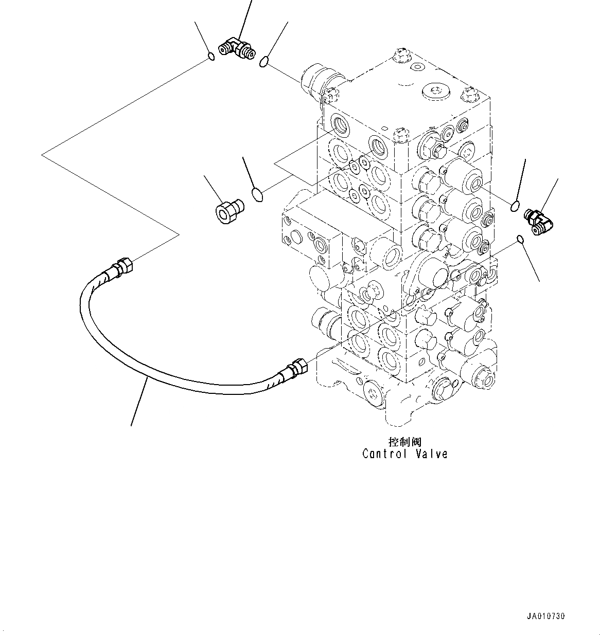
ЭЛЕМЕНТЫ (С -СЕРВИСНЫЙ КЛАПАН)
№
Артикул
Название
Примечание
Количество
1
07040-12412
PLUG
2
07002-12434
O-RING
3
02760-002A5
HOSE, FACE SEAL TYPE
4
02782-10210
ELBOW
5
07002-11423
6
02896-11008
Выбрано товаров: 0