Запчасти Komatsu PC130-8M0 ПЕРЕГОРОДКА. (КРЫШКАAND ПЛАСТИНА) M [ЧАСТИ КОРПУСАS И КРЫШКИ]

Схема запчастей Komatsu PC130-8M0 - ПЕРЕГОРОДКА. (КРЫШКАAND ПЛАСТИНА) M [ЧАСТИ КОРПУСАS И КРЫШКИ]
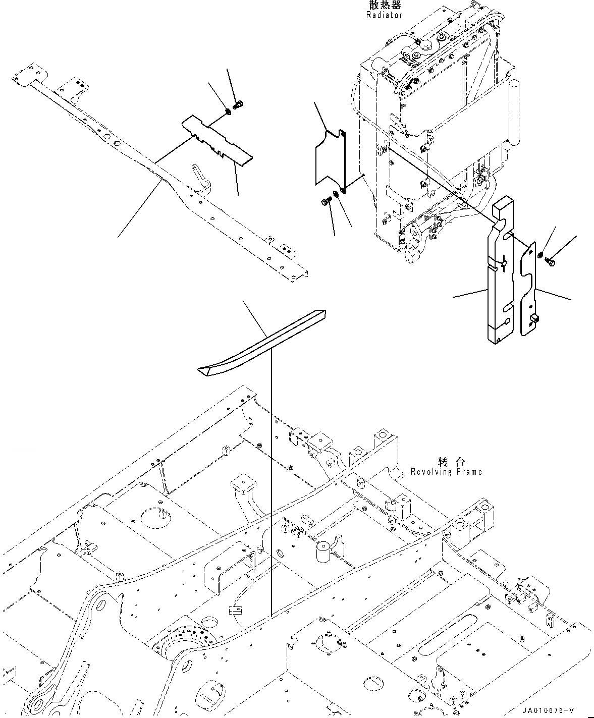
1
2
3
4
5
6
9
10
12
7
8
11
FIT
1:1
100%

Артикул

Название

Примечание

Количество

1

203-54-12780

COVER

2

01010-81020

BOLT

3

01643-31032

WASHER

4

203-54-12551

COVER

5

01010-81230

BOLT

6

01643-31232

WASHER

-

203-54-17191

PLATE

7

PLATE

8

203-54-17171

SHEET

9

01010-81230

BOLT

10

01643-31232

WASHER

11

203-54-17270

SHEET

12

203-54-17350

FRAME(REFER TO PAGE 347)

Выбрано товаров: 13