Запчасти Komatsu PC130-8M0 УПРАВЛЯЮЩ. КЛАПАН (БЕЗ -ДОПОЛН. АКТУАТОР ТРУБЫ, АККУМУЛЯТОР) (СОЕДИНИТЕЛЬН. ЧАСТИ, ПОВОРОТН. ТРУБЫ) H [ГИДРАВЛИКА]

Схема запчастей Komatsu PC130-8M0 - УПРАВЛЯЮЩ. КЛАПАН (БЕЗ -ДОПОЛН. АКТУАТОР ТРУБЫ, АККУМУЛЯТОР) (СОЕДИНИТЕЛЬН. ЧАСТИ, ПОВОРОТН. ТРУБЫ) H [ГИДРАВЛИКА]
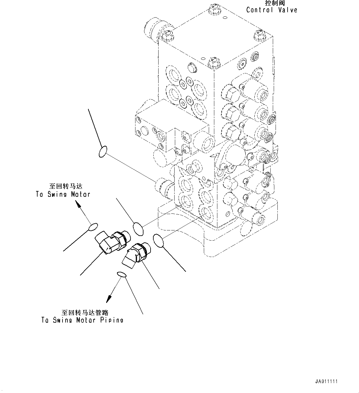
7
6
5
4
2
3
1
FIT
1:1
100%

Артикул

Название

Примечание

Количество

|$1

ЧўЈєґЛБР±н°ьАЁТФПВ№жёсЎЈ

|$2

І»ґш1ёщёЅјУЦґРР»ъ№№№ЬВ·Ј¬РоДЬЖч

|$3

ґш1ёщёЅјУЦґРР»ъ№№№ЬВ·Ј¬РоДЬЖч

|$4

ґш1ёцјмРЮ·§

|$5

Note: This list covers following

|$$6

Without 1-additional Actuator Pi

Accumulator

|$$7

With 1-additional Actuator Pipin

Accumulator

|$8

With 1-Service Valve

1

02783-10522

ELBOW

2

07002-62434

O-RING

3

02896-61015

O-RING

4

02782-10522

ELBOW

5

07002-62434

O-RING

6

02896-61015

O-RING

7

02896-61018

O-RING

Выбрано товаров: 15