Запчасти Komatsu PC130F-7 ОХЛАЖД-Е (ПОСЛЕОХЛАДИТЕЛЬ ) C

Схема запчастей Komatsu PC130F-7 - ОХЛАЖД-Е (ПОСЛЕОХЛАДИТЕЛЬ ) C
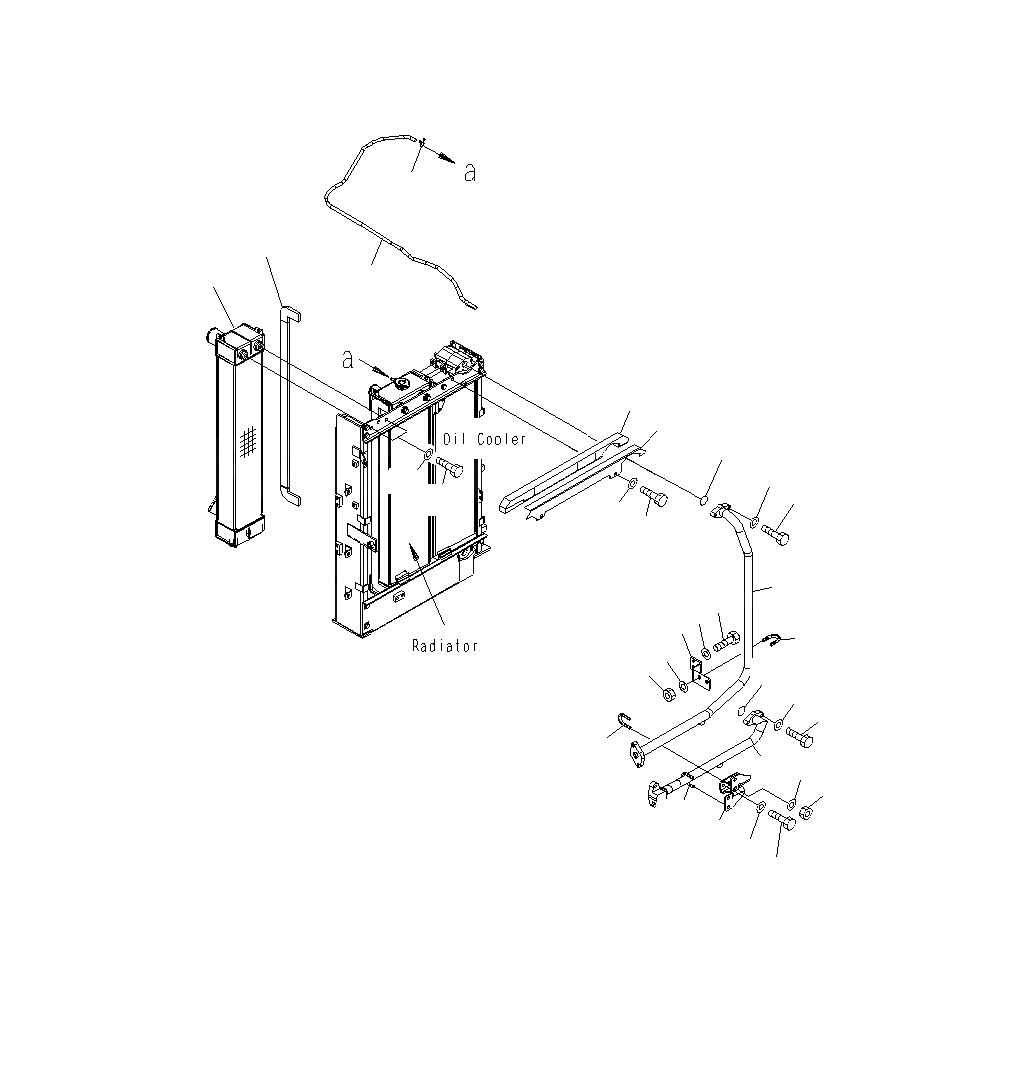
19
30
22
21
29
26
25
2
4
24
3
23
28
27
1
6
7
5
8
9
10
12
14
13
16
17
11
18
16
15
20
FIT
1:1
100%

Артикул

Название

Примечание

Количество

1

203-03-71231

TUBE

2

07000-13035

O-RING

3

01010-81035

BOLT

4

01643-31032

WASHER

5

203-03-71261

BRACKET

6

01010-81020

BOLT

7

01643-31032

WASHER

8

07283-33442

CLIP

9

01643-31032

WASHER

10

01597-01009

NUT

11

203-03-71241

TUBE

12

07000-13035

O-RING

13

01010-81035

BOLT

14

01643-31032

WASHER

15

203-03-71251

BRACKET

16

07283-33442

CLIP

17

01643-31032

WASHER

18

01597-01009

NUT

19

01010-81025

BOLT

20

01643-31032

WASHER

|$21

203-01-71330

AFTER COOLER ASS'Y

21

203-01-71110

AFTER COOLER

22

203-01-71341

SHEET

|$24

203-01-71340

SHEET

23

01010-81025

BOLT

24

01643-31032

WASHER

25

203-03-71781

COVER ASS'Y

|$28

203-03-71780

COVER ASS'Y

|$29

203-03-71280

COVER

26

203-03-71762

SHEET

|$31

203-03-71761

SHEET

|$32

203-03-71760

SHEET

27

01010-81020

BOLT

28

01643-31032

WASHER

29

203-03-71270

HOSE

30

206-03-43340

CLIP

Выбрано товаров: 36