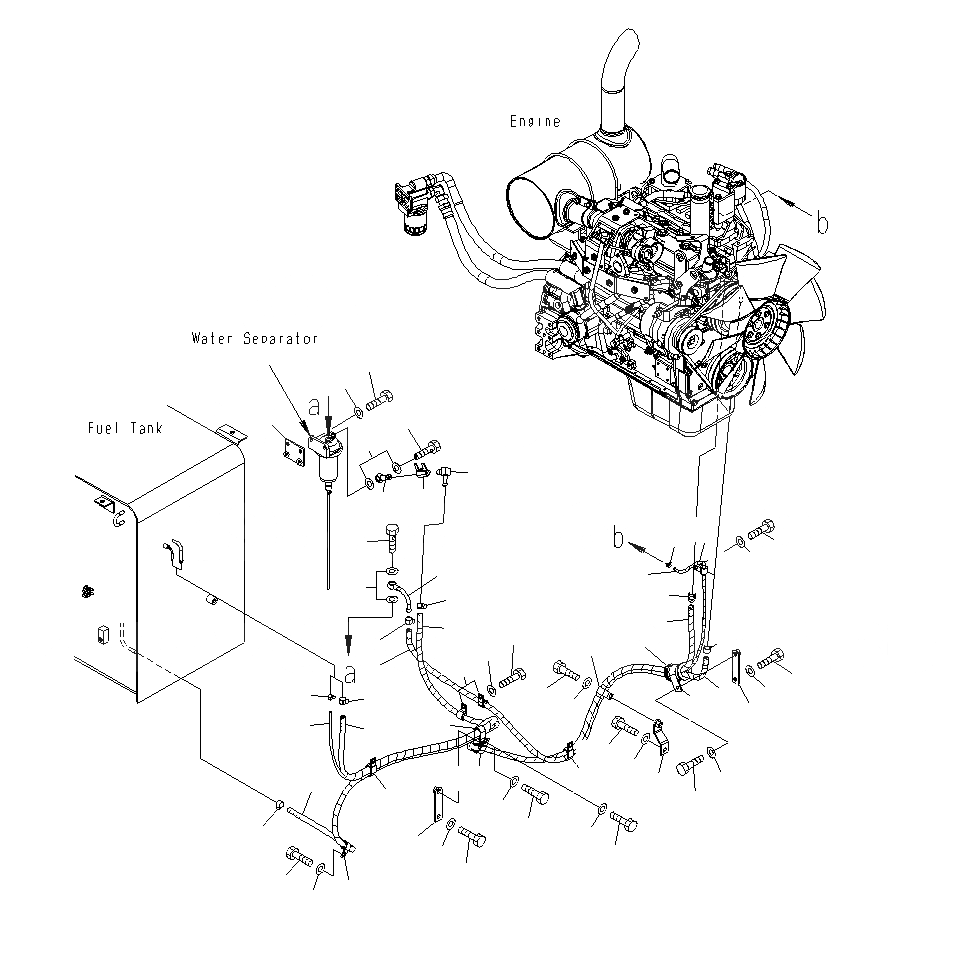
Запчасти Komatsu PC130F-7 ТОПЛИВН. ЛИНИЯ(ARRANGE СПЕЦ-Я)(С ВОДООТДЕЛИТЕЛЕМ ТОПЛИВН. ФИЛЬТР.) D

Схема запчастей Komatsu PC130F-7 - ТОПЛИВН. ЛИНИЯ(ARRANGE СПЕЦ-Я)(С ВОДООТДЕЛИТЕЛЕМ ТОПЛИВН. ФИЛЬТР.) D
26
17
18
16
10
9
15
14
8
5
7
13
48
11
49
1
47
12
6
6
4
3
42
6
35
6
28
43
41
2
32
7
29
6
2
33
30
34
31
22
1
4
27
3
44
28
37
25
22
36
24
23
6
46
19
21
45
20
39
38
40
FIT
1:1
100%

Артикул

Название

Примечание

Количество

|$1

203-04-71321

HOSE ASS'Y

1

07270-50429

TUBE

2

07288-01019

HOSE

3

08017-31005

CONDUIT

4

07288-01026

HOSE

5

203-04-71330

HOSE

6

11Y-09-11140

CLIP

7

07285-00080

CLIP

8

205-04-62140

JOINT

9

07005-01412

GASKET

10

07206-31014

JOINT

11

203-04-56150

JOINT

12

07005-01412

GASKET

13

07206-31014

JOINT

14

07700-50240

VALVE

15

205-04-62130

ELBOW

16

203-04-71160

PLATE

17

01010-81020

BOLT

18

01643-31032

WASHER

19

203-04-71150

PLATE

20

01010-81225

BOLT

21

01643-31232

WASHER

22

04435-51912

CLIP

23

01010-81225

BOLT

24

01643-31232

WASHER

25

203-06-71271

BRACKET

26

01010-81225

BOLT

27

01643-31232

WASHER

28

04435-51912

CLIP

29

01010-81225

BOLT

30

01643-31232

WASHER

31

203-04-71150

PLATE

32

01010-81225

BOLT

33

01643-31232

WASHER

34

21T-62-76850

CLIP

35

07095-01034

CUSHION

36

01010-81225

BOLT

37

01643-31232

WASHER

38

04434-51912

CLIP

39

01010-81225

BOLT

40

01643-31232

WASHER

41

04434-51912

CLIP

42

01010-81225

BOLT

43

01643-31232

WASHER

44

04434-52512

CLIP

45

01010-81225

BOLT

Выбрано товаров: 46