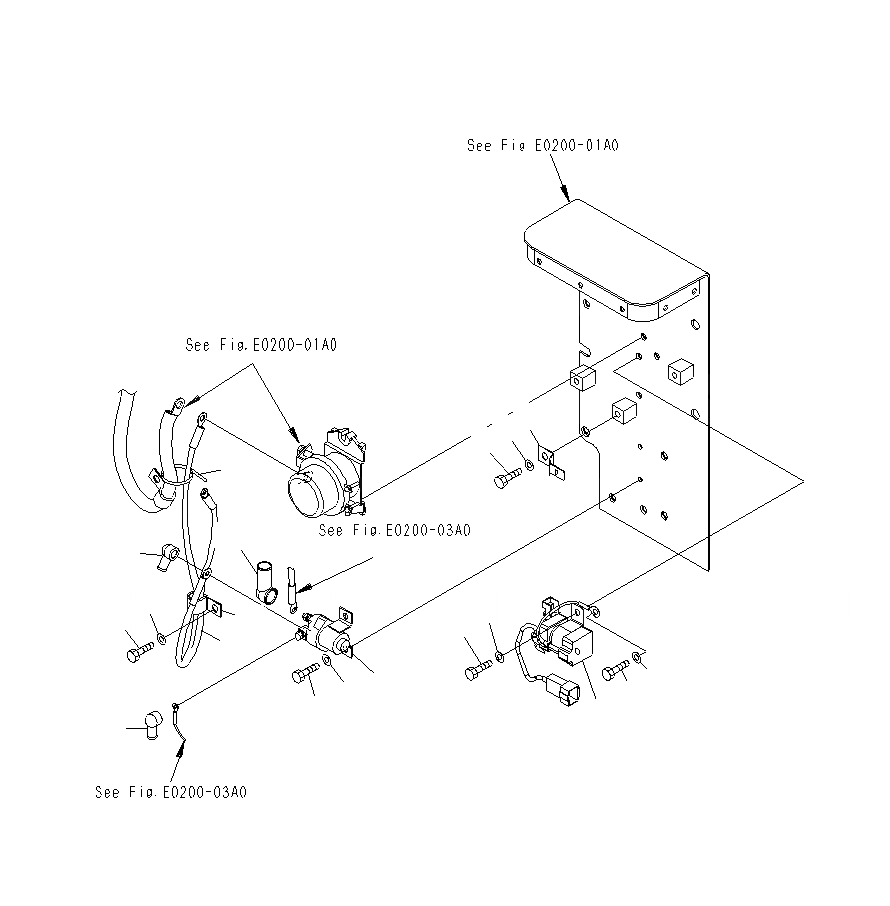
Запчасти Komatsu PC130F-7 ЭЛЕКТРОПРОВОДКА (ПРОВОДКА СТАРТЕРА)(РЕЛЕ И Э/ПРОВОДКА) E

Схема запчастей Komatsu PC130F-7 - ЭЛЕКТРОПРОВОДКА (ПРОВОДКА СТАРТЕРА)(РЕЛЕ И Э/ПРОВОДКА) E
13
6
8
7
18
12
17
3
16
15
2
14
9
5
4
11
10
1
12
FIT
1:1
100%

Артикул

Название

Примечание

Количество

1

600-815-8941

RELAY

2

01010-80816

BOLT

3

01643-30823

WASHER

4

01010-80816

BOLT

5

01643-30823

WASHER

6

08053-01510

CLIP

7

01010-81020

BOLT

|$8

01010-81220

BOLT

8

01643-31032

WASHER

|$10

01643-31232

WASHER

9

600-815-2170

SWITCH, HEATER

10

01010-80616

BOLT

11

01643-30623

WASHER

12

08038-00519

CAP

13

08038-06031

CAP

14

203-06-71131

CABLE

15

04434-51810

CLIP

16

01010-81020

BOLT

17

01643-31032

WASHER

18

08034-20536

BAND

Выбрано товаров: 20