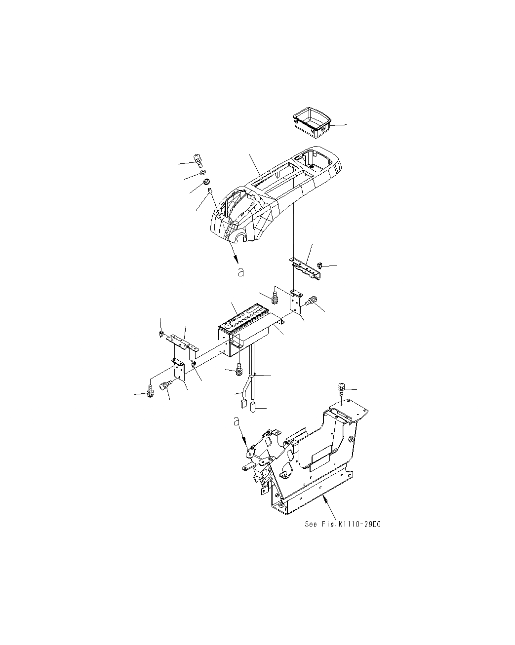
Запчасти Komatsu PC130F-7 ОСНОВН. КОНСТРУКЦИЯ (КАБИНА) (КОНСОЛЬ) (С РАДИО) K

Схема запчастей Komatsu PC130F-7 - ОСНОВН. КОНСТРУКЦИЯ (КАБИНА) (КОНСОЛЬ) (С РАДИО) K
18
4
14
15
16
17
6
10
9
2
10
8
5
7
1
9
12
10
13
9
11
7
9
3
FIT
1:1
100%

Артикул

Название

Примечание

Количество

1

20Y-43-31460

COVER

2

2A5-06-11932

RADIO, ASIA

|$3

20Y-06-42430

RADIO, ASIA

3

08912-51600

ANTENNA

4

208-43-71680

COVER

5

22U-43-22220

PLATE

6

22U-43-22230

STAY

7

22U-06-22510

BRACKET

8

01023-60510

SCREW

9

01023-60516

SCREW

10

20Y-06-23770

CLIP

11

22U-06-22350

HARNESS

12

08034-00310

BAND

13

01023-60620

SCREW

14

01023-60630

SCREW

15

01640-20610

WASHER

16

208-43-71610

CUSHION

17

208-43-71620

PIPE

18

22U-43-22110

TRAY

Выбрано товаров: 19