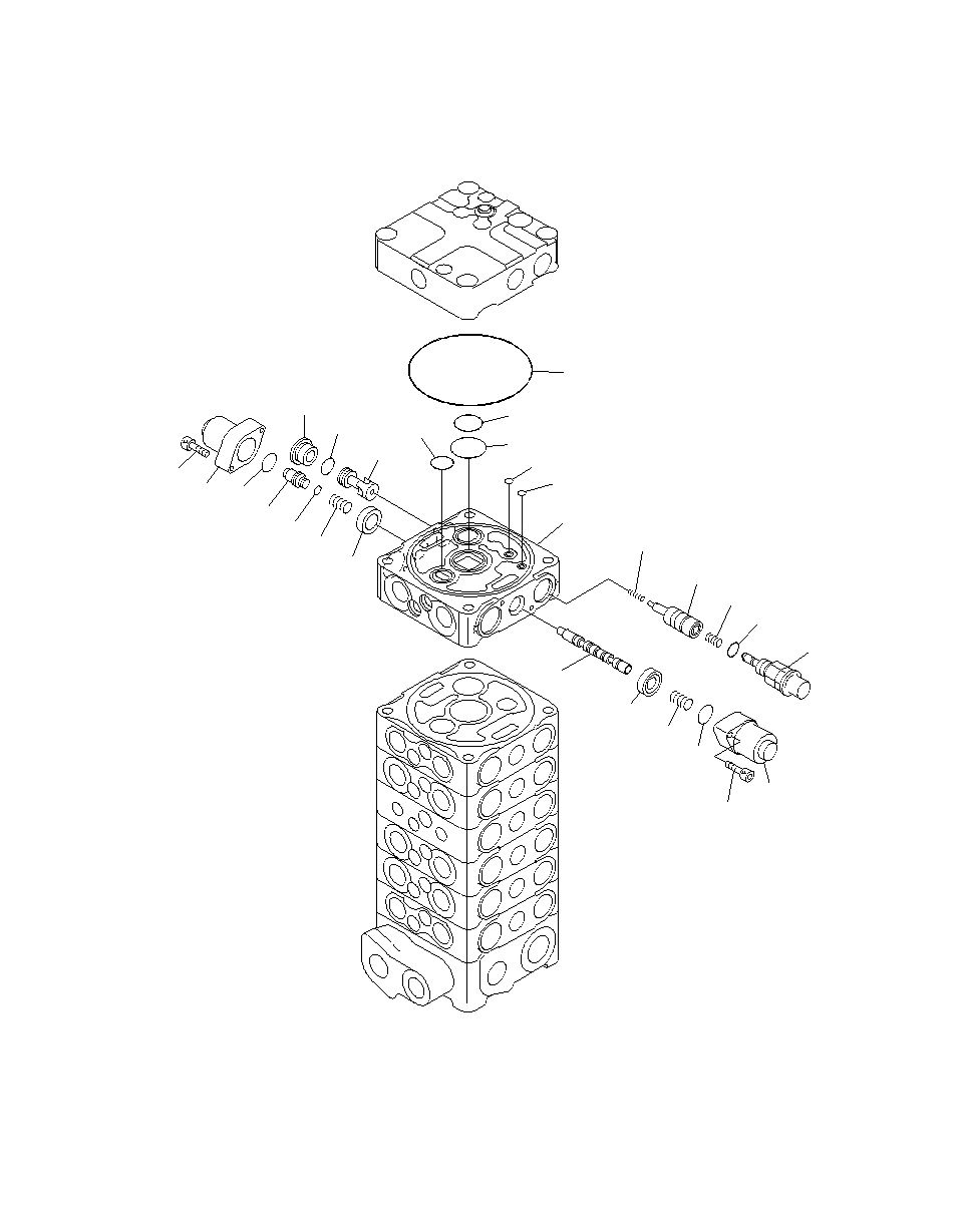
Запчасти Komatsu PC130F-7 ОСНОВН. КЛАПАН (7-КЛАПАН) (/) (С ПРЕДОТВРАЩЕНИЕМ СМЕЩЕНИЯ) Y

Схема запчастей Komatsu PC130F-7 - ОСНОВН. КЛАПАН (7-КЛАПАН) (/) (С ПРЕДОТВРАЩЕНИЕМ СМЕЩЕНИЯ) Y
2
17
4
18
5
3
15
6
14
6
12
13
1
8
9
16
11
19
10
20
22
21
7
10
11
13
12
14
FIT
1:1
100%

Артикул

Название

Примечание

Количество

|$1

723-56-11501

CONTROL VALVE

|$2

THESE ASSEMBLIES CONSIST OF ALL

|$3

PARTS SHOWN IN FIGS.Y1662-21A0 TO Y1662-33A0

|$4

723-51-04200

VALVE ASS'Y

1

BLOCK, VALVE

2

144-14-54610

O-RING

3

723-56-31720

O-RING

4

723-56-31730

O-RING

5

702-75-11520

O-RING

6

07000-11008

O-RING

7

SPOOL

8

PLUG

9

07002-11223

O-RING

10

723-56-31211

RETAINER

11

723-36-14110

SPRING

12

723-56-31510

CASE

13

702-21-55450

O-RING

14

01252-60630

BOLT

15

VALVE

16

723-56-41710

SPRING

17

723-26-15230

PLUG

18

07002-12434

O-RING

19

VALVE

20

723-56-41750

SPRING

21

723-50-42103

VALVE ASS'Y

22

07000-13024

O-RING

Выбрано товаров: 0