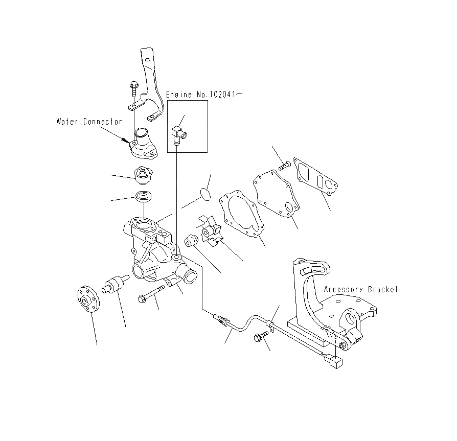
Запчасти Komatsu PC130F-7 ВОДЯНАЯ ПОМПА A

Схема запчастей Komatsu PC130F-7 - ВОДЯНАЯ ПОМПА A
17
8
10
12
13
9
6
7
2
3
15
1
11
4
14
5
16
FIT
1:1
100%

Артикул

Название

Примечание

Количество

|$1

6205-61-1300

WATER PUMP ASS'Y

1

BODY

2

6204-61-1630

IMPELLER

3

6221-61-1520

SEAL, WATER (K2)

4

6204-61-1650

SHAFT

5

6205-61-1210

BOSS

6

6206-61-1121

COVER

7

6204-61-1660

GASKET (K2)

8

01236-40816

SCREW

9

6206-61-1731

GASKET (K1, K2)

10

07000-03040

O-RING (K1, K2)

11

01435-00855

BOLT

12

600-421-6230

THERMOSTAT

13

6140-11-6331

GASKET (K1, K2)

14

7861-93-3320

SENSOR

15

04434-50510

CLIP

16

01435-01016

BOLT

17

07042-70312

PLUG

18

6205-61-8680

TUBE

19

6205-61-8690

HOSE

Выбрано товаров: 20