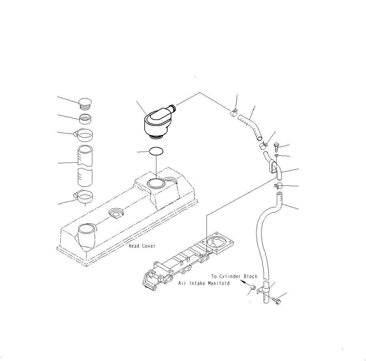
Запчасти Komatsu PC130F-7 КРЫШКА ГОЛОВКИ АКСЕССУАРЫ A

Схема запчастей Komatsu PC130F-7 - КРЫШКА ГОЛОВКИ АКСЕССУАРЫ A
11
1
5
10
4
11
3
8
6
9
2
7
12
3
13
14
16
15
FIT
1:1
100%

Артикул

Название

Примечание

Количество

1

6204-11-8610

CAP,OIL FILLER

2

6202-13-8620

HOSE

3

07281-00709

CLAMP

4

6202-13-8631

PIPE

5

6150-21-6750

BREATHER

6

6209-11-8210

O-RING

7

6208-11-8920

TUBE, BREATHER

8

01435-00614

BOLT

9

01643-30623

WASHER

10

07286-01915

HOSE

11

07285-00220

CLIP

12

07285-00180

CLIP

13

07286-01685

HOSE

14

04434-52110

CLIP

15

6131-12-5920

SPACER

16

01435-01025

BOLT

Выбрано товаров: 16