Запчасти Komatsu PC130F-7 ОСНОВН. НАСОС КРЕПЛЕНИЕ B

Схема запчастей Komatsu PC130F-7 - ОСНОВН. НАСОС КРЕПЛЕНИЕ B
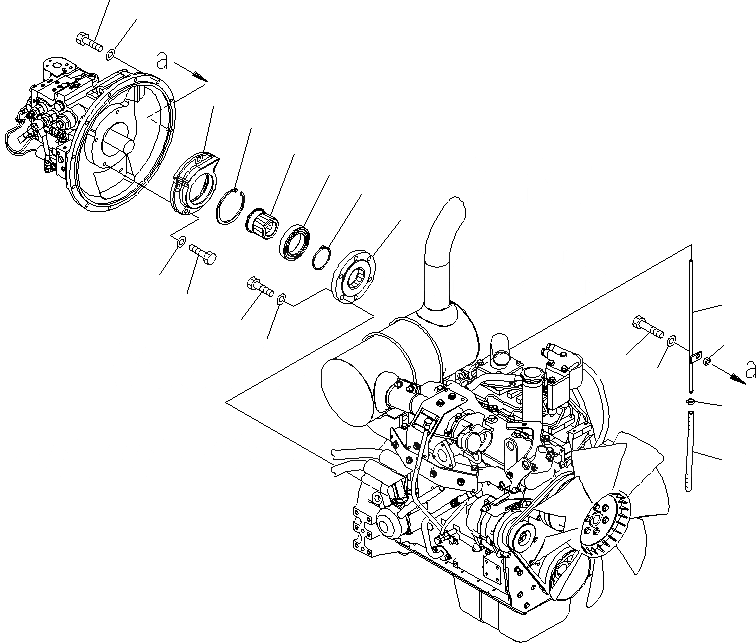
11
12
4
7
5
6
8
16
10
9
17
18
13
14
2
3
15
1
FIT
1:1
100%

Артикул

Название

Примечание

Количество

1

6205-11-5460

TUBE

2

07260-20928

HOSE

3

07285-00150

CLIP

4

203-01-61170

CAGE

5

203-01-61190

SHAFT

6

06045-06014

BEARING

7

04065-01104

RING

8

04064-07025

RING

9

01010-81235

BOLT

10

01643-31232

WASHER

11

01010-81040

BOLT

12

01643-31032

WASHER

13

01010-81050

BOLT

14

01643-31032

WASHER

15

205-917-1610

COLLAR

16

203-01-61181

COUPLING

17

01010-81240

BOLT

18

01643-31232

WASHER

Выбрано товаров: 18