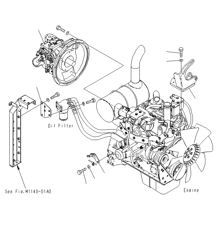
Запчасти Komatsu PC130F-7 ДВИГАТЕЛЬ КОРПУС И КРЕПЛЕНИЕ B

Схема запчастей Komatsu PC130F-7 - ДВИГАТЕЛЬ КОРПУС И КРЕПЛЕНИЕ B
8
1
6
7
5
2
4
3
FIT
1:1
100%

Артикул

Название

Примечание

Количество

1

203-01-71290

BRACKET

2

203-06-71251

BRACKET

3

01010-81225

BOLT

4

01643-31232

WASHER

5

203-979-7111

BRACKET

6

01010-81035

BOLT

7

01643-31032

WASHER

8

708-1L-00651

PUMP ASS'Y

|$9

708-1L-00650

PUMP ASS'Y

Выбрано товаров: 9