Запчасти Komatsu PC138US-2 ОСНОВН. КОНСТРУКЦИЯ (УПРАВЛ. НАВЕСН. ОБОРУД.)(№-) КАБИНА ОПЕРАТОРА И СИСТЕМА УПРАВЛЕНИЯ

Схема запчастей Komatsu PC138US-2 - ОСНОВН. КОНСТРУКЦИЯ (УПРАВЛ. НАВЕСН. ОБОРУД.)(№-) КАБИНА ОПЕРАТОРА И СИСТЕМА УПРАВЛЕНИЯ
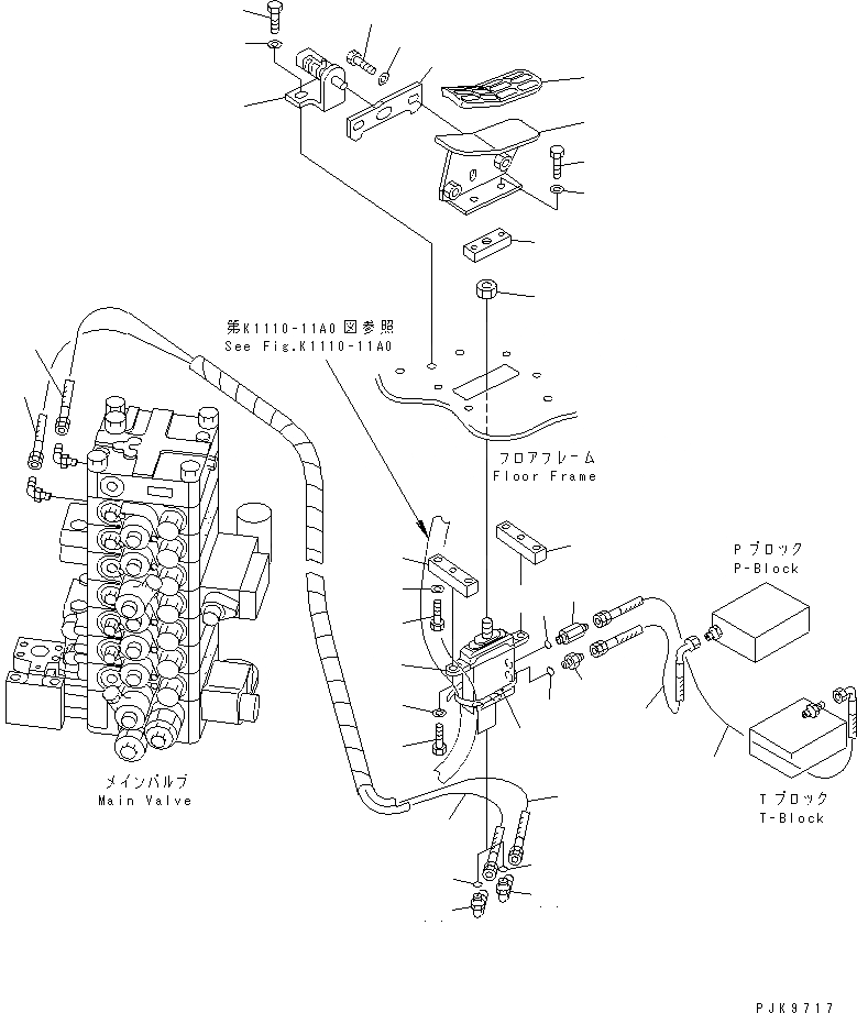
1
2
3
4
4
5
6
6A
7
8
9
10
11
11
12
12
13
14
15
16
17
18
19
20
21
22
23
24
25
25
26
26
27
28
FIT
1:1
100%

Артикул

Название

Примечание

Количество

1

702-16-01270

PILOT VALVE

2

01010-81030

BOLT

3

01643-31032

WASHER

4

20Y-62-25411

PLATE

5

01010-81040

BOLT

6

01643-31032

WASHER

6A

08034-00536

BAND

7

20N-62-31250

NIPPLE

8

07000-02011

O-RING

9

20U-62-22280

NIPPLE

10

07000-02011

O-RING

11

21P-62-11590

ELBOW

12

07000-02011

O-RING

13

203-43-61510

PEDAL

14

01010-D0820

BOLT

15

01643-70823

WASHER

16

14X-43-12110

PEDAL CAP

17

203-43-61520

SEAT

18

01583-11408

NUT

19

20Y-62-25380

PLATE

20

01010-D1030

BOLT

21

01643-71032

WASHER

22

20Y-62-25360

BRACKET

23

01010-81025

BOLT

24

01643-71032

WASHER

25

07184-00221

HOSE¤ 2100MM

26

07184-00224

HOSE¤ 2400MM

27

20T-62-81410

HOSE¤ 500MM

28

20T-62-81480

HOSE¤ 400MM

Выбрано товаров: 29