Запчасти Komatsu PC138US-2 ОСНОВН. КОНСТРУКЦИЯ (ЭЛЕКТР.) (ДЛЯ SLIDE ОКНА) КАБИНА ОПЕРАТОРА И СИСТЕМА УПРАВЛЕНИЯ

Схема запчастей Komatsu PC138US-2 - ОСНОВН. КОНСТРУКЦИЯ (ЭЛЕКТР.) (ДЛЯ SLIDE ОКНА) КАБИНА ОПЕРАТОРА И СИСТЕМА УПРАВЛЕНИЯ
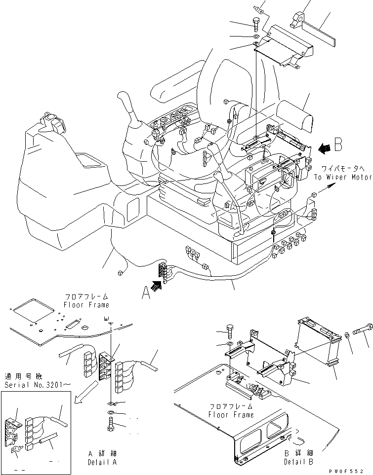
1
2
3
4
5
6
7
8
9
10
11
12
13
13
14
15
16
17
17
17
17
20
21
21
22
FIT
1:1
100%

Артикул

Название

Примечание

Количество

1

08053-00910

CLIP

2

22U-43-21411

BRACKET

3

01010-D1020

BOLT

4

20Y-54-65330

WASHER

5

7824-62-5000

CONTROLLER

|5

7824-62-4007

CONTROLLER

6

01010-80880

BOLT

7

01643-30823

WASHER

8

22U-43-21421

COVER

9

01010-D1020

BOLT

10

01643-71032

WASHER

11

22U-06-22270

SHEET

12

22U-06-22280

SHEET

13

22B-06-14240

BRACKET

|13

22B-06-11671

BRACKET

14

01010-81020

BOLT

15

01643-31032

WASHER

16

22U-06-22261

SHEET

17

22B-06-14131

WIRING HARNESS

|17

22B-06-14130

WIRING HARNESS

|17

22B-06-13182

WIRING HARNESS

|17

08041-00500

FUSE¤ 5A

|17

08041-01000

FUSE¤ 10A

|17

08041-01500

FUSE¤ 15A

|17

08041-02500

FUSE¤ 25A

|17

08041-03000

FUSE¤ 30A

20

08193-20010

CLIP

21

22U-06-22530

WIRING HARNESS

22

08053-01510

CLIP

Выбрано товаров: 29