Запчасти Komatsu PC138US-2 АККУМУЛЯТОР И КРЕПЛЕНИЕ (ВЫСОК. ЕМК.) ЭЛЕКТРИКА

Схема запчастей Komatsu PC138US-2 - АККУМУЛЯТОР И КРЕПЛЕНИЕ (ВЫСОК. ЕМК.) ЭЛЕКТРИКА
1
1
2
2
2
3
3
3
4
5
6
6
7
7
8
9
9
10
11
12
FIT
1:1
100%

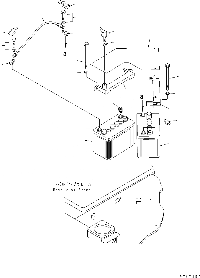
Артикул

Название

Примечание

Количество

1

21Y-06-11510

BATTERY¤ WET(115D31R

2

08000-00000

TERMINAL¤ (+)

3

08000-00001

TERMINAL¤ (-)

4

22B-06-11151

CLAMP

5

22B-06-11161

CLAMP

6

21W-06-21290

BOLT

7

01643-31032

WASHER

8

08028-CH040

CABLE

|8

08028-68040

WIRE

9

08038-42009

CAP

10

22B-06-11171

COVER

11

01434-00820

BOLT¤ WING

12

01643-30823

WASHER

Выбрано товаров: 13