Качественные детали и логистика
Оригинальные и аналоговые запчасти с доставкой по России, Казахстану и Беларуси
©2022 PartSell ООО "Система" ИНН 2463123282 ОГРН 1212400004838
Центральный офис: г. Красноярск, Академика Киренского, д.87, пом.4
Телефон: 8 (800) 777-65-74 Email: zakaz@partsell.ru
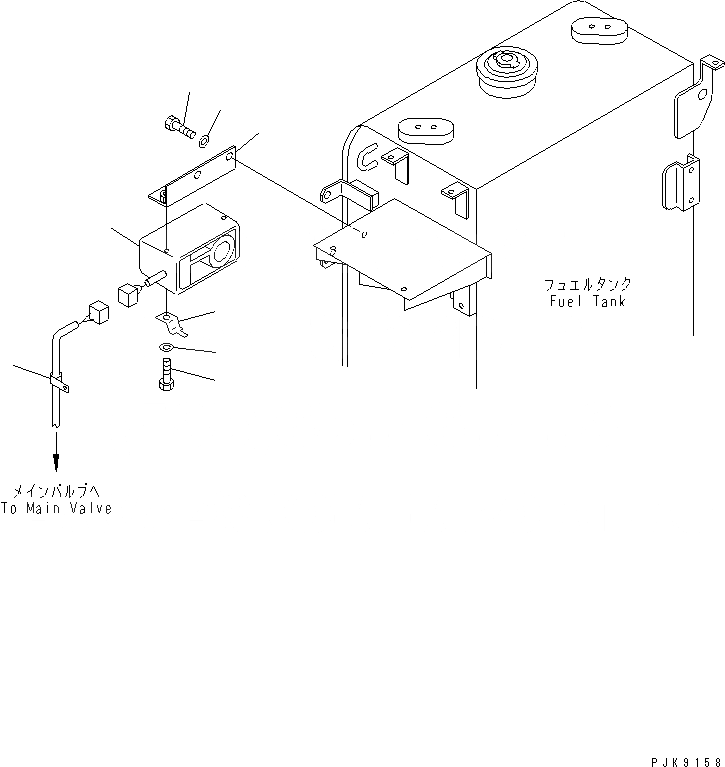
СИГНАЛ ХОДА
№
Артикул
Название
Примечание
Количество
1
21Y-06-17610
BUZZER
2
01011-81000
BOLT
3
01643-31232
WASHER
4
08053-01512
CLIP
5
22B-06-11360
BRACKET
6
01010-81220
7
8
08036-00814
Выбрано товаров: 0