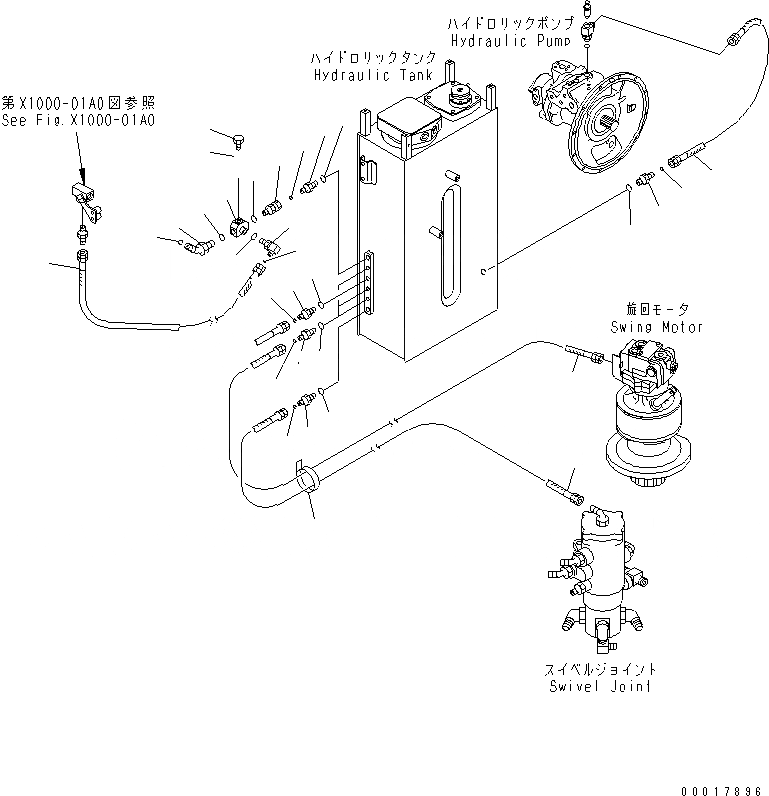
Запчасти Komatsu PC138US-2 ОСНОВН. КЛАПАН ГИДРАВЛИКА

Схема запчастей Komatsu PC138US-2 - ОСНОВН. КЛАПАН ГИДРАВЛИКА
1
2
3
3
4
4
4
5
5
6
7
8
8
9
9
10
10
11
12
13
14
15
16
16
17
17
18
19
20
21
22
23
1
2
3
4
5
5
6
7
8
9
9
9
9
9
10
11
12
13
14
15
16
17
18
19
20
21
22
23
FIT
1:1
100%

Артикул

Название

Примечание

Количество

1

723-56-13801

VALVE ASS'Y

1

723-56-13800

VALVE ASS'Y

2

22B-62-11111

BRACKET

3

01010-81660

BOLT

4

01643-31645

WASHER

5

07049-01012

PLUG

6

203-62-61572

PLATE

7

01010-81690

BOLT

8

01643-31645

WASHER

9

203-54-21110

CUSHION

10

203-62-61581

SPACER

11

07000-13025

O-RING

12

702-21-09230

VALVE ASS'Y

13

07000-13032

O-RING

14

702-21-55350

BOLT

15

01643-51032

WASHER

16

02781-0021D

UNION

17

02896-11008

O-RING

18

07002-11423

O-RING

19

02781-0031D

UNION

20

02896-11009

O-RING

21

07002-11423

O-RING

22

07040-11812

PLUG

23

07002-11823

O-RING

Выбрано товаров: 24