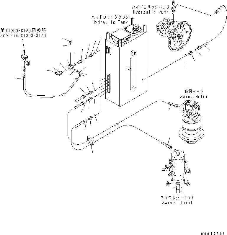
Запчасти Komatsu PC138US-2E ВОЗВРАТН. ЛИНИЯ (С FALL DOWN PREВЕНТИЛЯТОРION КЛАПАН) ГИДРАВЛИКА

Схема запчастей Komatsu PC138US-2E - ВОЗВРАТН. ЛИНИЯ (С FALL DOWN PREВЕНТИЛЯТОРION КЛАПАН) ГИДРАВЛИКА
1
1
2
3
4
5
6
7
8
9
10
11
12
13
14
15
16
17
18
19
20
21
22
23
24
25
26
27
28
29
30
FIT
1:1
100%

Артикул

Название

Примечание

Количество

1

02781-00420

UNION

2

02896-11012

O-RING

3

02896-21012

O-RING

4

07002-11823

O-RING

5

07002-21823

O-RING

6

02781-0021D

UNION

7

02896-11008

O-RING

8

07002-11423

O-RING

9

02781-0031D

UNION

10

02896-11009

O-RING

11

07002-11423

O-RING

12

22B-62-15820

CONNECTOR

13

07002-12034

O-RING

14

22B-62-15860

BLOCK

15

02783-10422

ELBOW

16

02896-11012

O-RING

17

07002-12034

O-RING

18

07040-11409

PLUG

19

07002-11423

O-RING

20

02782-10311

ELBOW

21

02896-11009

O-RING

22

07002-11423

O-RING

23

22B-62-17221

HOSE

23

22B-62-17220

HOSE

24

22B-62-17210

HOSE

25

02762-00609

HOSE

26

02781-00628

UNION

27

02896-11018

O-RING

28

07002-12434

O-RING

29

08034-30521

BAND

30

22B-62-19870

HOSE, 1530MM

Выбрано товаров: 31